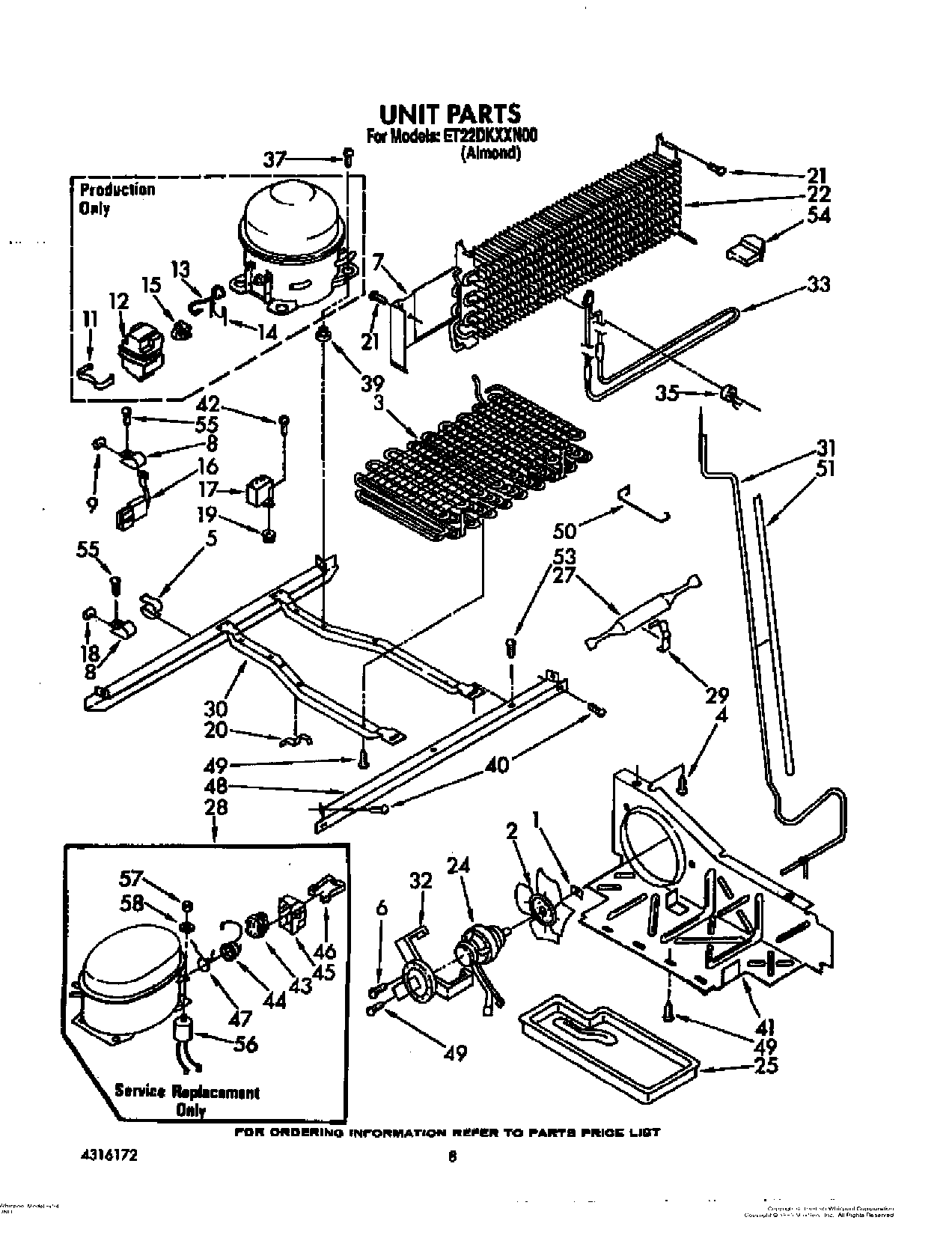
ET22DKXXW00 06 – UNIT

ET22DKXXW00 06 – UNIT