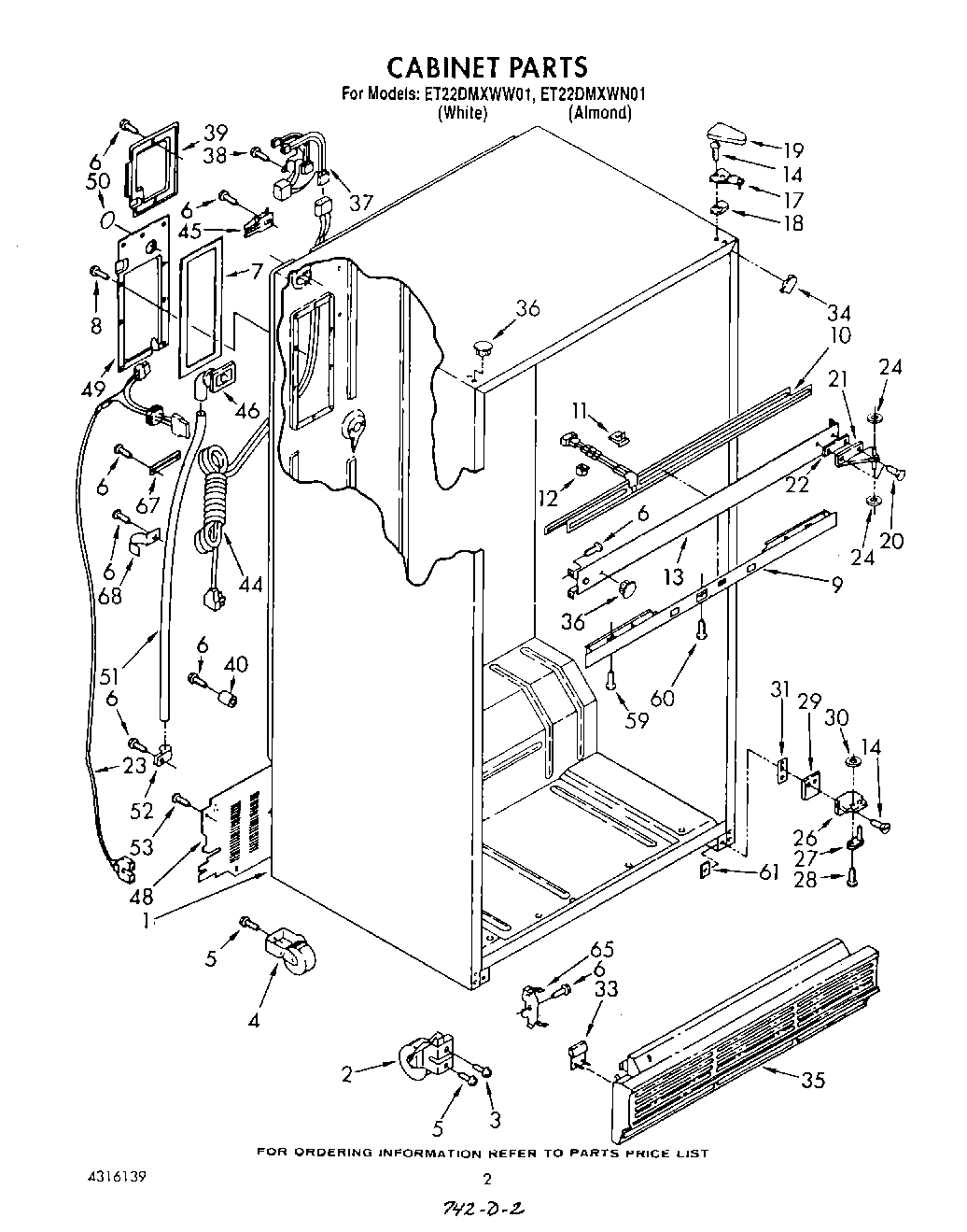
ET22DMXWN01 02 – CABINET