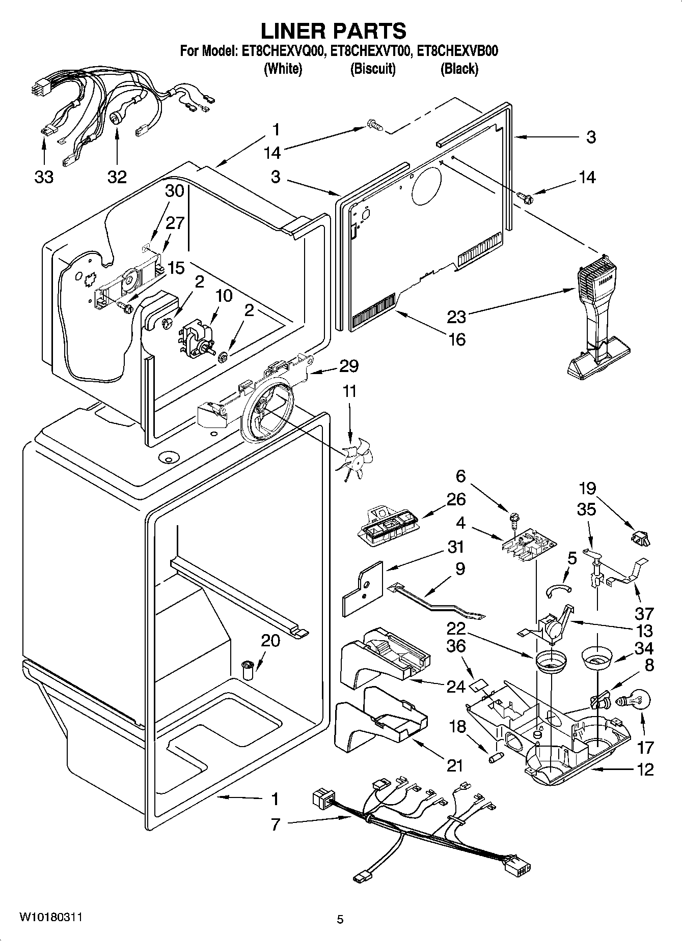
ET8CHEXVB00 03 – LINER PARTS