| NI | MAY Y0042834 |
| NI | MAY Y0043564 |
| NI | MAY Y0041768 |
| NI | MAY 43562 |
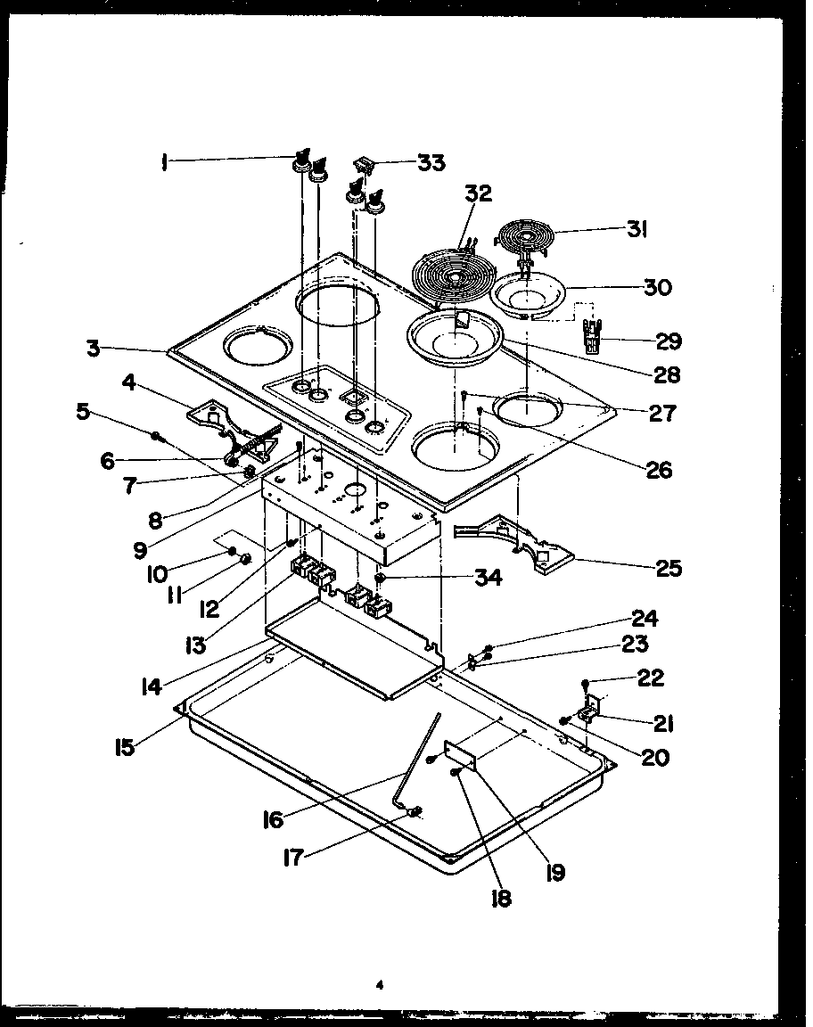
| 1 | MAY 0042638 |
| 3 | MAY 54087K |
| 3 | MAY 54089A |
| 3 | MAY 54089C |
| 3 | MAY 54089H |
| 3 | MAY 54089L |
| 3 | MAY 54089W |
| 5 | MAY Y0041766 |
| 6 | MAY Y0043746 |
| 9 | MAY Y0054224 |
| 11 | MAY Y0041844 |
| 13 | MAY Y0042060 |
| 14 | MAY Y0054221 |
| 15 | MAY Y0040456 |
| 18 | MAY Y0041803 |
| 19 | SEE NOTE GROUND WIRE, GREEN |
| 21 | MAY Y0041908 |
| 22 | MAY Y0041809 |
| 23 | MAY Y0040868 |
| 24 | MAY Y0041792 |
| 27 | MAY Y0041785 |
| 28 | DRIP BOWL 8" W/HOLE CHROME |
| 29 | MAY Y0042154 |
| 29 | MAY Y0042153 |
| 30 | WPW10196406 Whirlpool 6" Chrome Drip Bowl |
| 31 | MAY Y0051575 |
| 32 | MAY Y0051572 |
| 33 | MAY Y0042195 |
| 34 | MAY 0041848 |