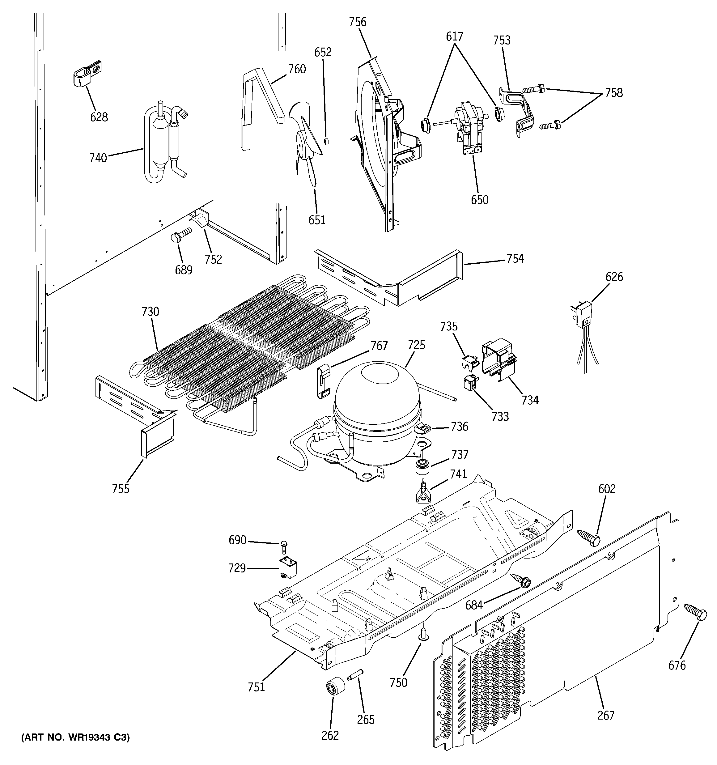
ETS18XBPBRCC UNIT PARTS