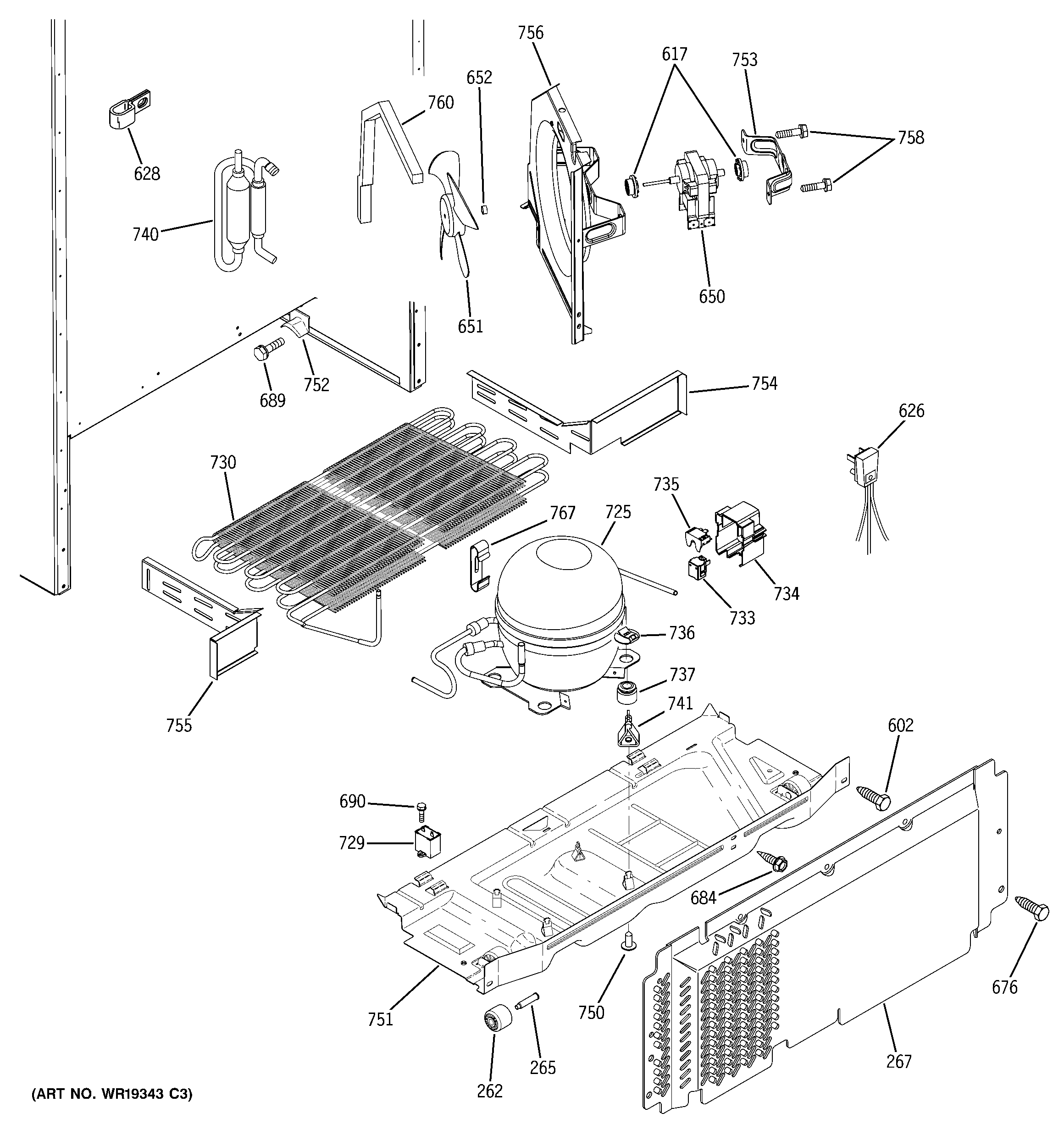
ETS18XBPBRWW UNIT PARTS