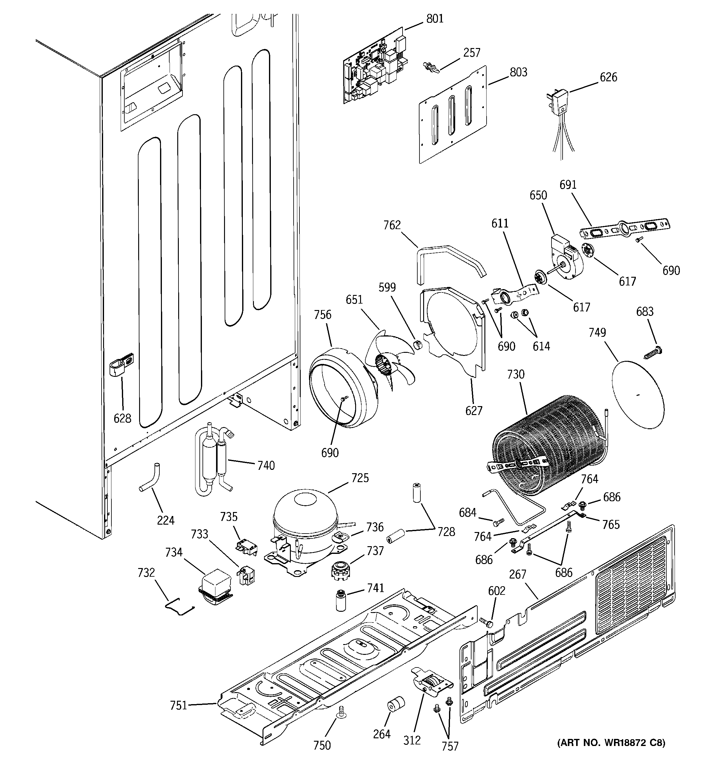
ETS22XBMBRBB SEALED SYSTEM & MOTHER BOARD

ETS22XBMBRBB SEALED SYSTEM & MOTHER BOARD

Products

PositionProduct
224TUBE DRAIN
257WR02X10663 GE Refrigerator Standoff
264WR02X10695 GE Refrigerator Wheel
267WR82X10103 GE Refrigerator Access Cover
312WR02X12288 GE Refrigerator Back Mobility Assembly
599WR02X12149 GE Refrigerator Ring
602WR1X1591 GE Refrigerator Screw
611WR02X11863 GE Refrigerator Condenser Fan Bracket (Mounting)
614BUMPER
617WR02X10520 GE Refrigerator Fan Motor Grommet
626WR23X10300 GE Refrigerator Power Cord Assembly
627WR17X35527 GE Refrigerator Condenser Fan Shroud
628WR1X5278 GE Refrigerator Cable Clamp
650WR60X10209 GE Refrigerator DC Condenser Fan Motor
651WR60X24484 GE Refrigerator Condenser Fan Blade
683WR02X10562 GE Push Fastener
684GEN WB01T10047
686WR01X10654 GE Refrigerator Screw 10-32 TT HXW 5/16 S
690WZ5X158D GE Screw Package of 12
691WR02X10593 GE Refrigerator Bracket Condenser Fan (Rear)
725WR87X20798 GE Refrigerator High Side Assembly
728WR14X10055 GE Refrigerator Slit Grommet Tubing
730WR84X10022 GE Refrigerator Condenser Replacement Kit
732GEN WR02X8976
733WR07X26748 GE Start Relay WB07X26748
734GEN WR02X9169
735WR08X10015 GE Refrigerator Overload Relay
736GEN WR02X8203
737WR02X22869 GE Refrigerator Grommet
740WR86X25269 GE Refrigerator R134 Dryer
741WR1X1779 GE Refrigerator Stud Mounting Compressor
749WR17X13159 GE Refrigerator Baffle Condenser Air
750WR1X1786 GE Refrigerator Screw
751GEN WR17X10966
757WR01X10194 GE Refrigerator Screw 10-32 TT HXW 5/16 S
762WR14X10053 GE Refrigerator Foam Strip Adhesive
764WR2X9000 GE Refrigerator Condenser Clip
765WR17X10763 GE Condenser Bracket Bar
801WR55X10942C-includeCORE GE WR55X10942C Refrigerator Main Control + Core
803GEN WR02X10871