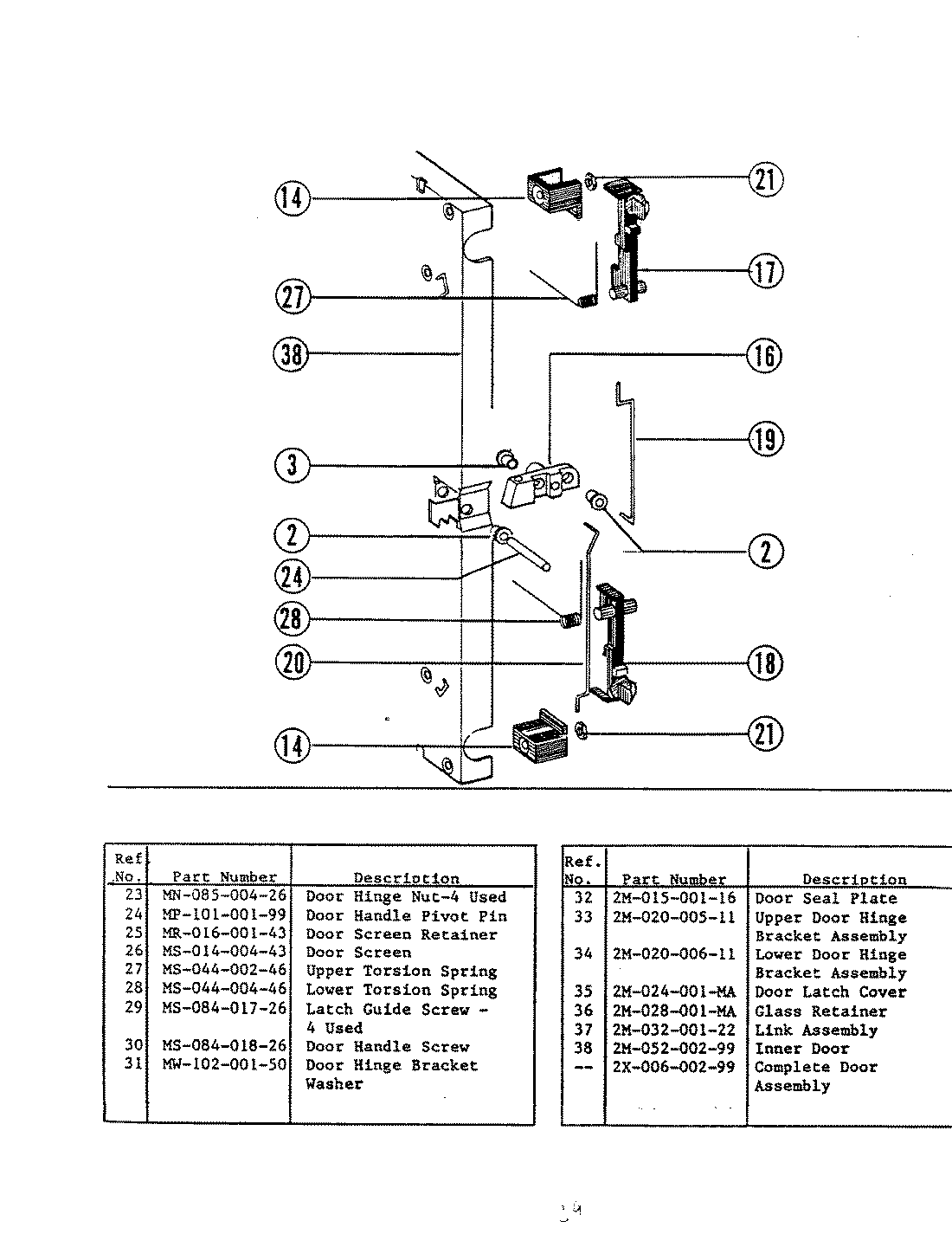
EW224 05 – DOOR HINGE ASSEMBLYadmin2025-04-26T09:31:35+00:00EW224 05 – DOOR HINGE ASSEMBLY ProductsPositionProduct23MAY MN0850042624MAY MP1010019925MAY MR0160014326MAY MS0140044327MAY MS0440024628MAY MS0440044629MAY MS0840172630MAY MS0840182631MAY MW1020015032MAY 2M0150011633MAY 2M0200051134MAY 2M0200061135MAY 2M024001MA36MAY 2M028001MA37MAY 2M0320012238MAY 2M0520029938MAY 2X00600299