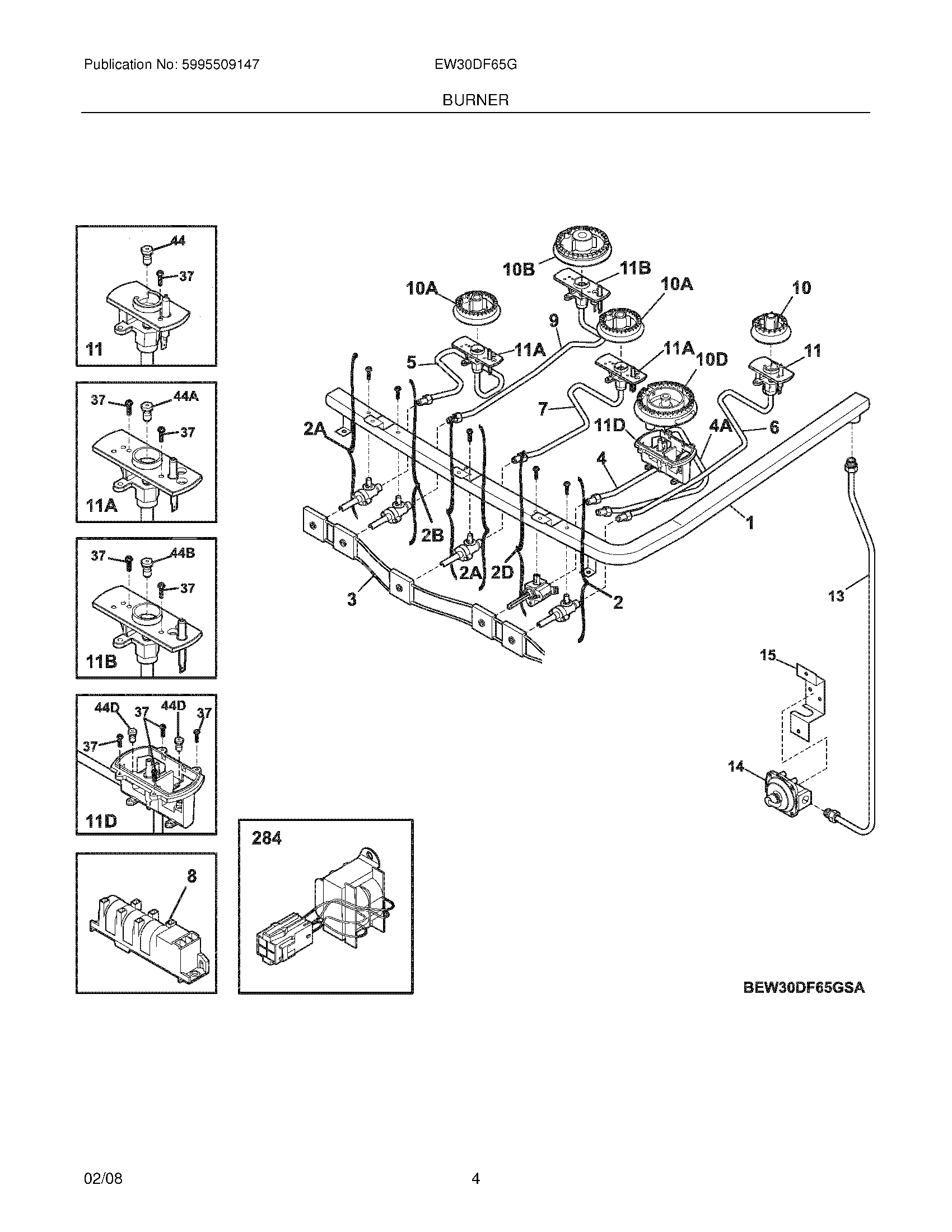
EW30DF65GBA 05 – BURNER