| NI | 316215600 Frigidaire Oven Screw |
| NI | 316001017 Frigidaire Screw |
| NI | WCI 316064103 |
| NI | WCI 316434900 |
| NI | WCI 316526900 |
| NI | WCI 316536300 |
| NI | 316089500 Frigidaire Oven Screw |
| NI | 316021105 Frigidaire Oven Screw |
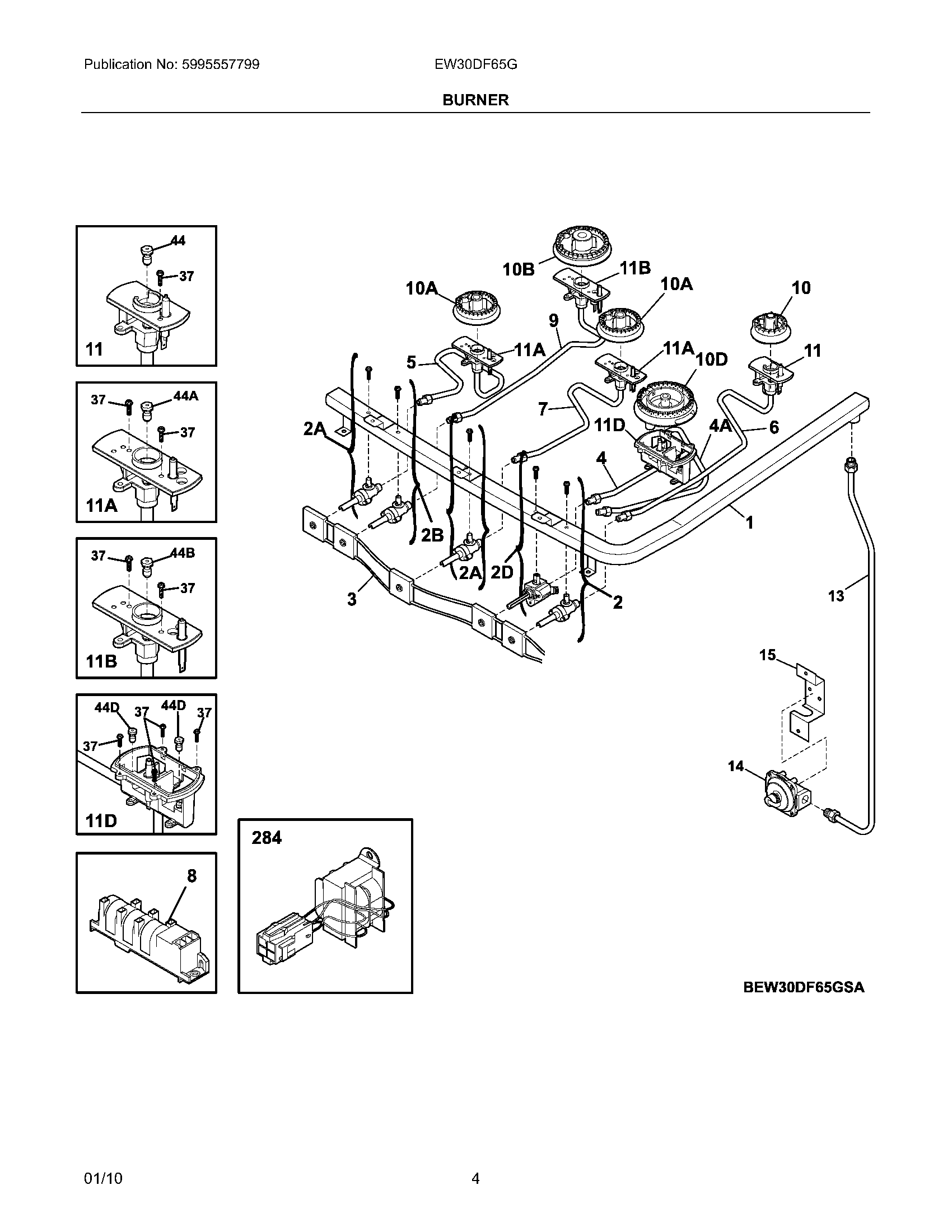
| 1 | WCI 316505200 |
| 2D | WCI 316412512 |
| 2B | WCI 316520703 |
| 2A | 316520701 Frigidaire Oven Valve Assembly |
| 2 | WCI 316520700 |
| 3 | 316518201 Frigidaire Assembly Harness |
| 4 | WCI 316509000 |
| 4A | WCI 316509100 |
| 5 | WCI 316509300 |
| 6 | WCI 316509200 |
| 7 | WCI 316509400 |
| 8 | SPARK MODULE |
| 9 | WCI 316526600 |
| 10A | WCI 316511000 |
| 10 | 316510800 Frigidaire Oven Burner |
| 10B | 316511200 Frigidaire Oven Burner |
| 10D | WCI 316525400 |
| 11A | WCI 316524900 |
| 11D | WCI 316525100 |
| 11B | WCI 316525000 |
| 11 | WCI 316524800 |
| 13 | WCI 316545700 |
| 14 | WCI 318122700 |
| 15 | 316091600 Frigidaire Oven Bracket |
| 37 | 316540900 Frigidaire Oven Screw |
| 44 | WCI 316523504 |
| 44B | WCI 316523506 |
| 44D | WCI 316523508 |
| 44A | WCI 316523500 |
| 284 | 316536100 Frigidaire Transformer |