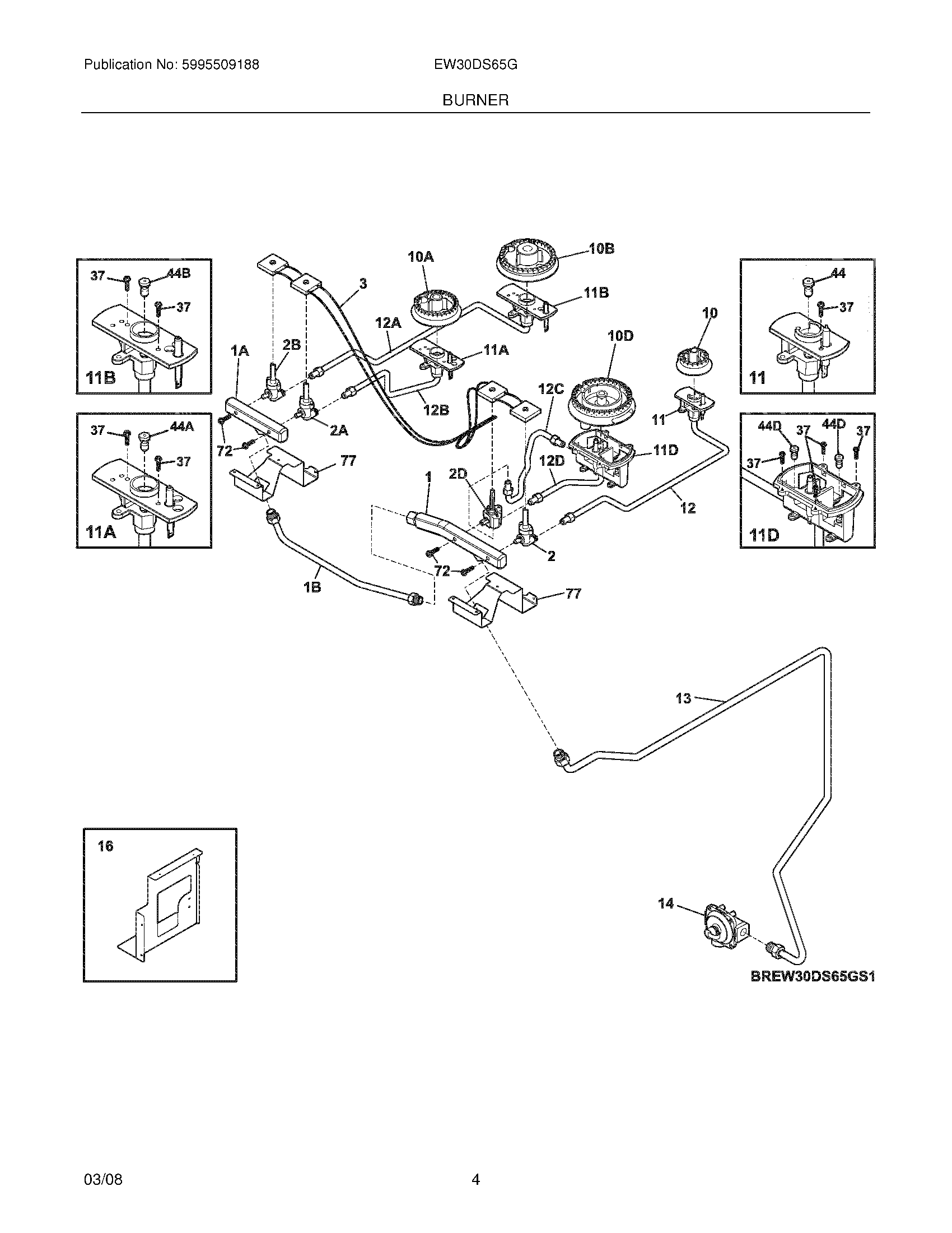
EW30DS65GB1 05 – BURNER