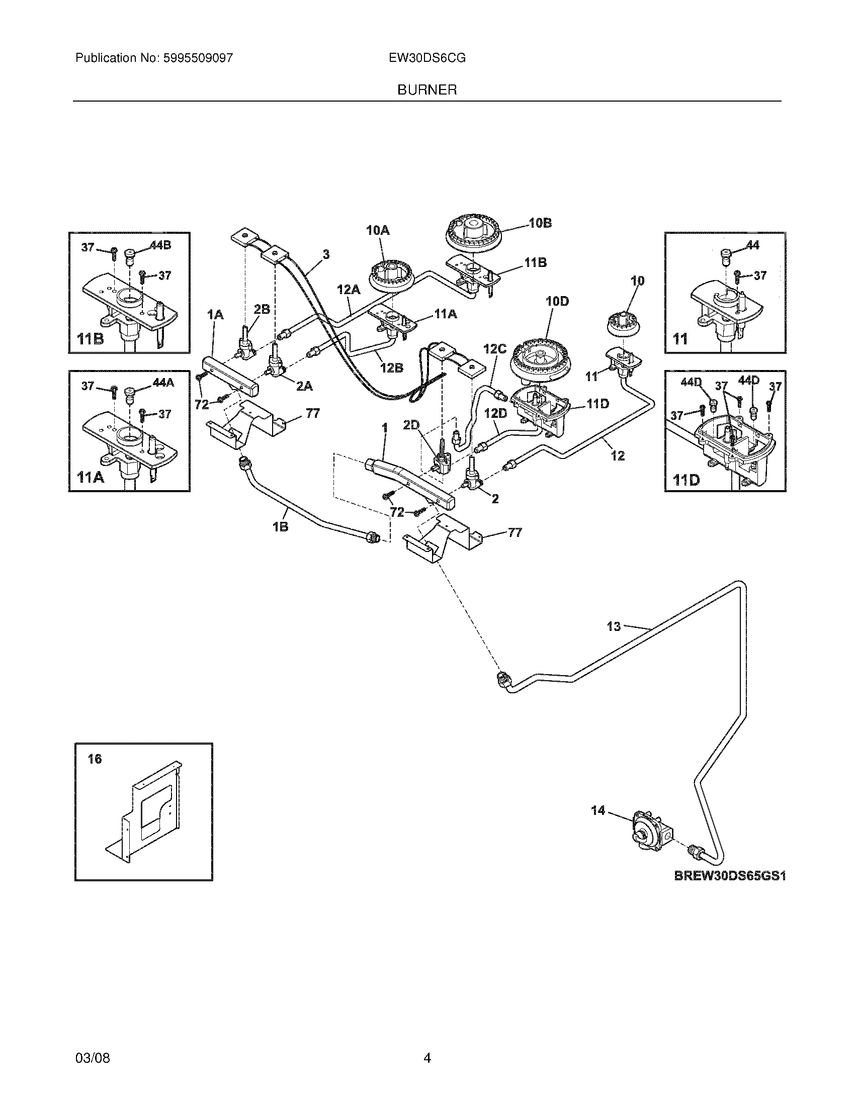
EW30DS6CGB1 05 – BURNER