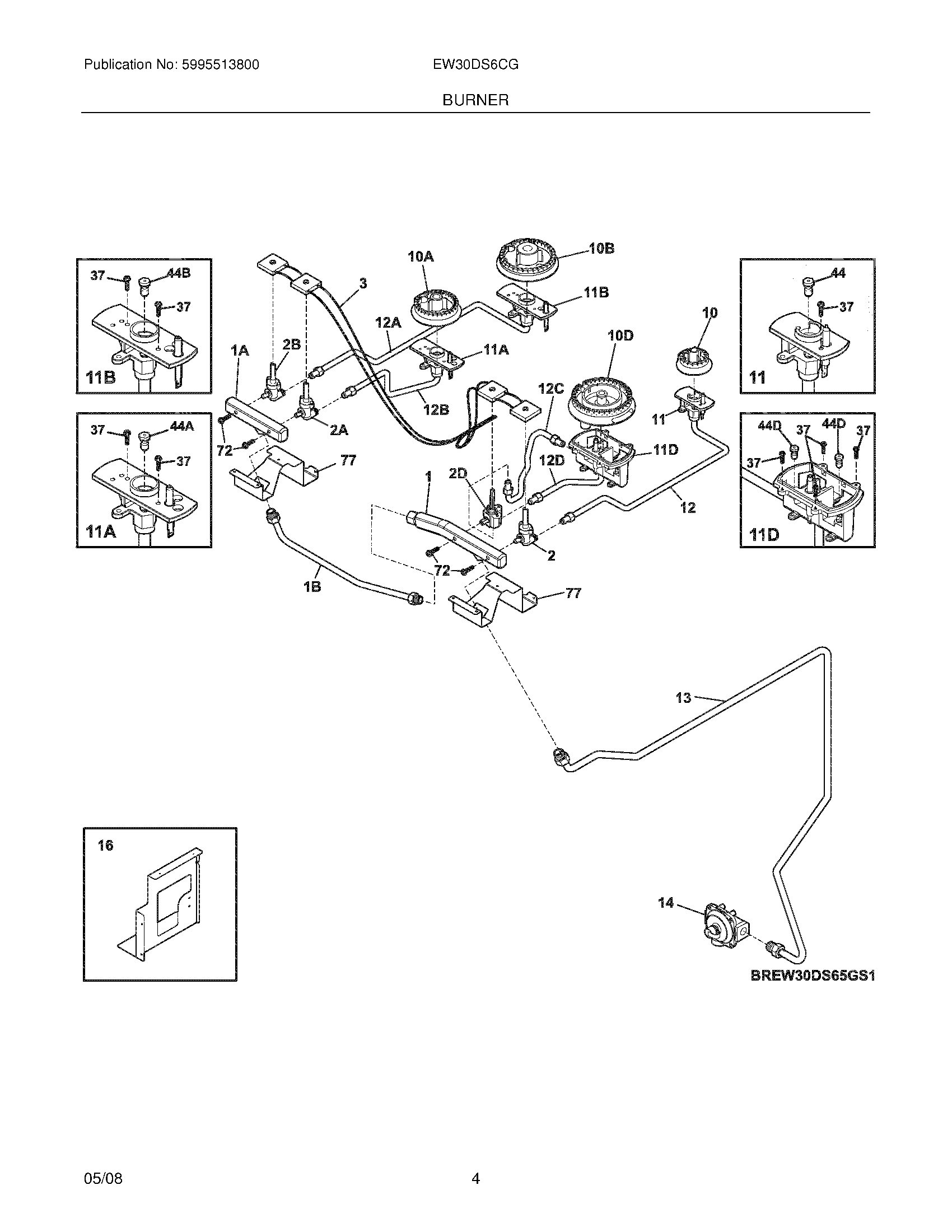
EW30DS6CGB2 05 – BURNER