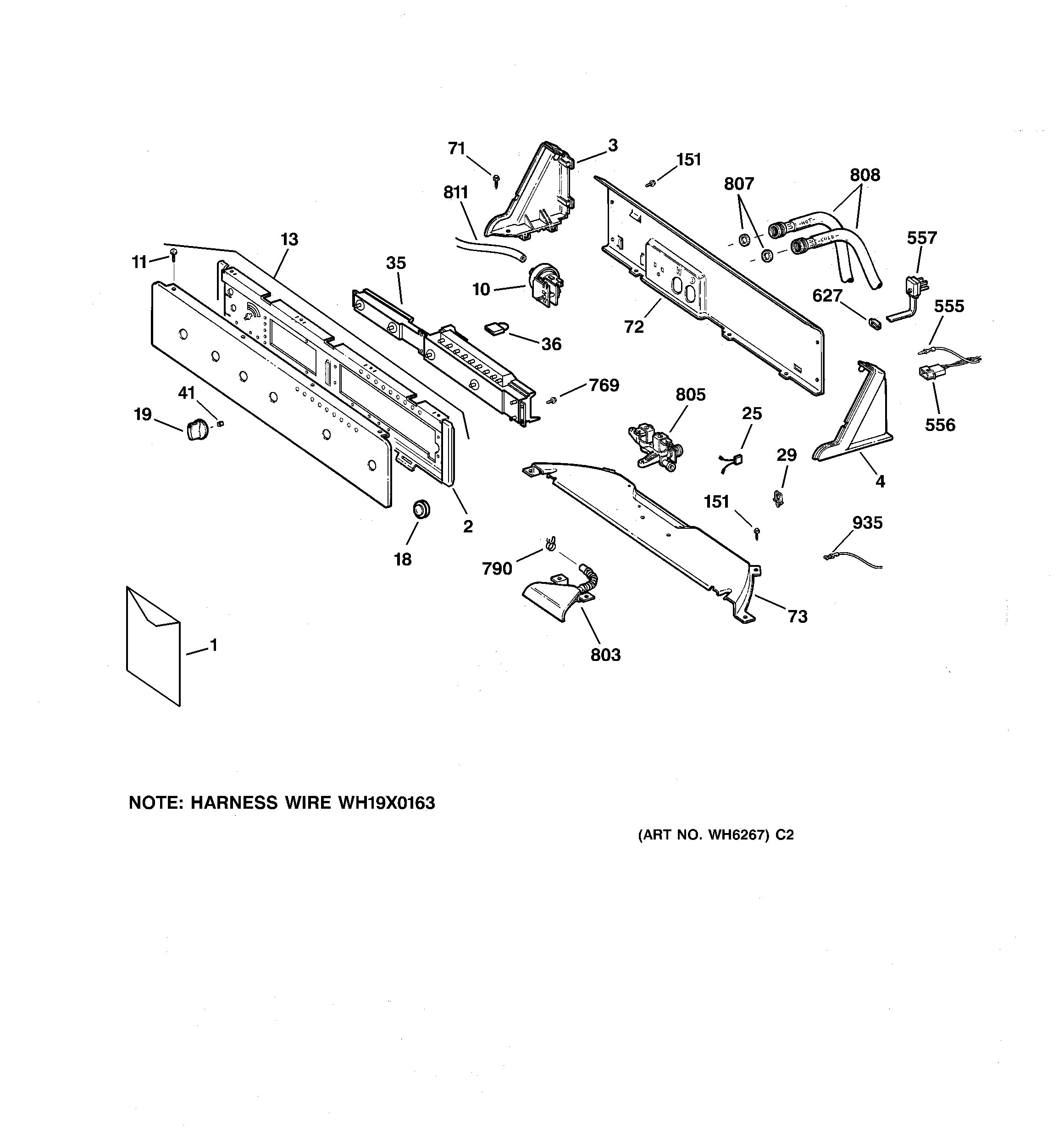
EWA2000A0WW CONTROLS & BACKSPLASHadmin2025-04-26T08:44:25+00:00EWA2000A0WW CONTROLS & BACKSPLASH ProductsPositionProduct1GEN 49-900301MINI MANUAL1INSTRUCTION INSTALL2GEN WH46X100483GEN WH42X23974GEN WH42X239810WH12X10093 GE Press Switch11GEN WH02X120613GEN WH42X1022118WH01X10088 GE Start/stop Switch Button19WH1X2721 GE Dryer Control Knob25GEN WH19X1001429GEN WH02X1005435GEN WH12X1011336GEN WH12X1011871WH2X1205 GE Screw 8-1872GEN WH46X1003573GEN WH46X10047494WD1X1459 GE Dishwasher Insulation Housing555GEN WB17X5053556GEN WH12X0497557GEN WH19X0311627GEN WH12X10025769WB1X500D GE Oven Screw Package790WH1X2036 GE UNIX Clamp803HOSE & WATER INLET805GEN WH13X10006807WH2X42D GE Washer Pack of 12808WH41X10207 GE Washer Rubber Inlet Hose 2 Pack 4'811WH41X365 GE Washer Water Level Pressure Switch HOSE935GEN WD01X1434