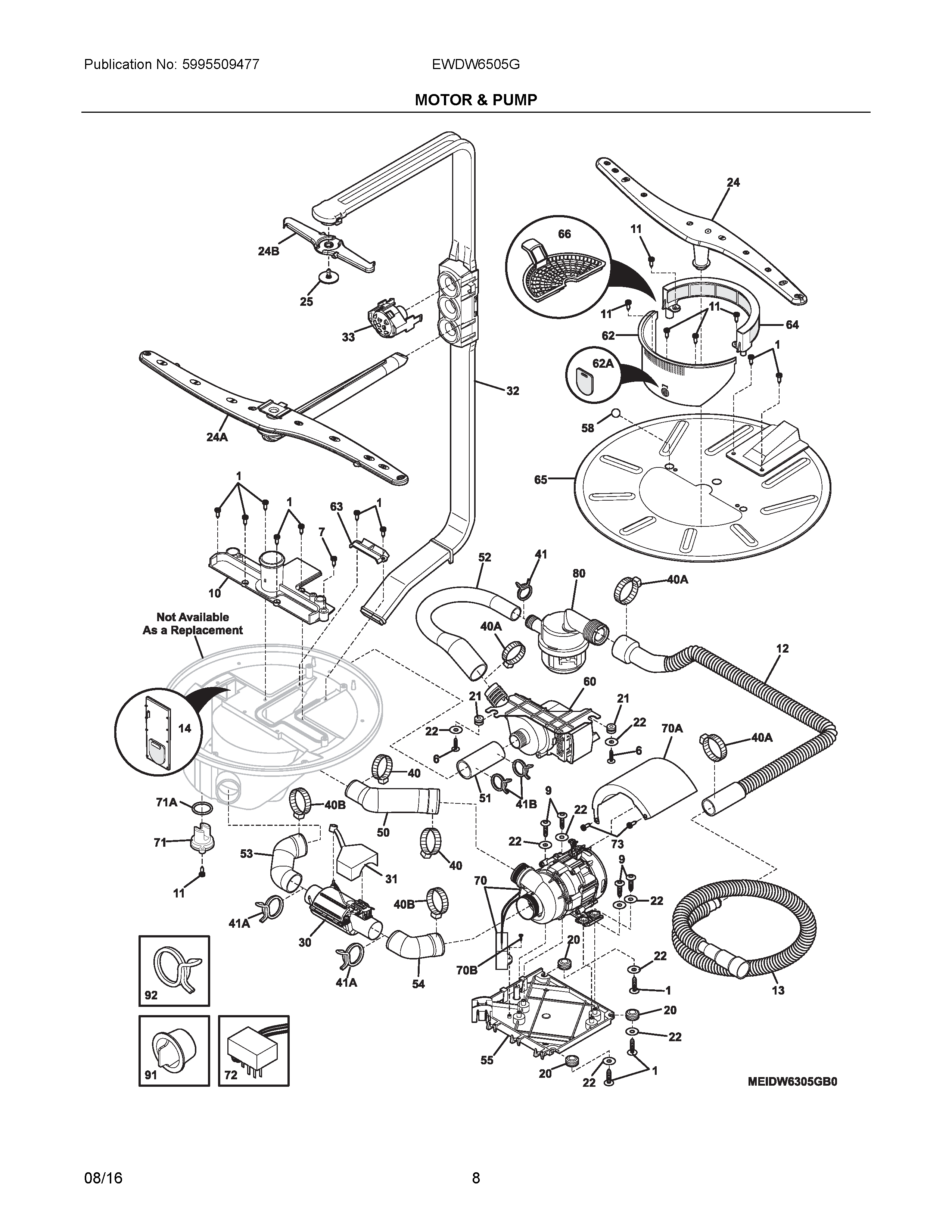
EWDW6505GS0 05 – MOTOR & PUMPadmin2025-04-26T08:53:11+00:00EWDW6505GS0 05 – MOTOR & PUMP ProductsPositionProductNIAWCI 71546270011154518001 Frigidaire Refrigerator Screw6WCI 71545183017WCI 715467350195304453707 Frigidaire Oven Screw10WCI 715460200111WCI 7530331603212WCI 7154654801135304521094 Frigidaire Dishwasher Hose14WCI 715451180120WCI 715467860221WCI 7154672502225300809968 Frigidaire Dishwasher P-1 Washer24BWCI 715464950224154755501 Frigidaire Dishwasher Spray Arm25WCI 715465010230154503701 Frigidaire Heating Element31WCI 715462290132WCI 715451560233WCI 715461650240BWCI 715467260140154611101 Frigidaire Dishwasher Clamp40A154380601 Frigidaire Dishwasher Clamp Assembly41BWCI 715469150141154348401 Frigidaire Dishwasher Clamp50154679602 Frigidaire Hose51154757702 Frigidaire Hose52154622402 Frigidaire Dishwasher Hose53WCI 715465320154WCI 715465330155154677101 Frigidaire Dishwasher Plate58WCI 715451240160WCI 715461870162WCI 715460070262AWCI 715451160163WCI 715451350164WCI 715460450265WCI 715462490166WCI 715451430270AWCI 715465640170154614002 Frigidaire Dishwasher Drain Pump and Motor Assembly70BWCI 715461440171154473901 Frigidaire Dishwasher Sensor71AWCI 715437600172154655901 Frigidaire Dishwasher Sensor73WCI 715451840180154622001 Frigidaire Dishwasher Drain Valve91WCI 715467670192154348502 Frigidaire Dishwasher Clamp