EWDW6505GW0B 05 – MOTOR & PUMPadmin2025-04-26T08:53:39+00:00EWDW6505GW0B 05 – MOTOR & PUMP
Products
| Position | Product |
|---|
| NIB | WCI 154819101 |
| NIA | WCI 154627001 |
| NIA | SCREW, CABINET CLAMP, (2) |
| 1 | 154518001 Frigidaire Refrigerator Screw |
| 6 | SCREW, 6 LOBE RECESS, #8-18 |
| 7 | SCREW, 6 LOBE RECESS, #10 HI LO |
| 9 | 5304453707 Frigidaire Oven Screw |
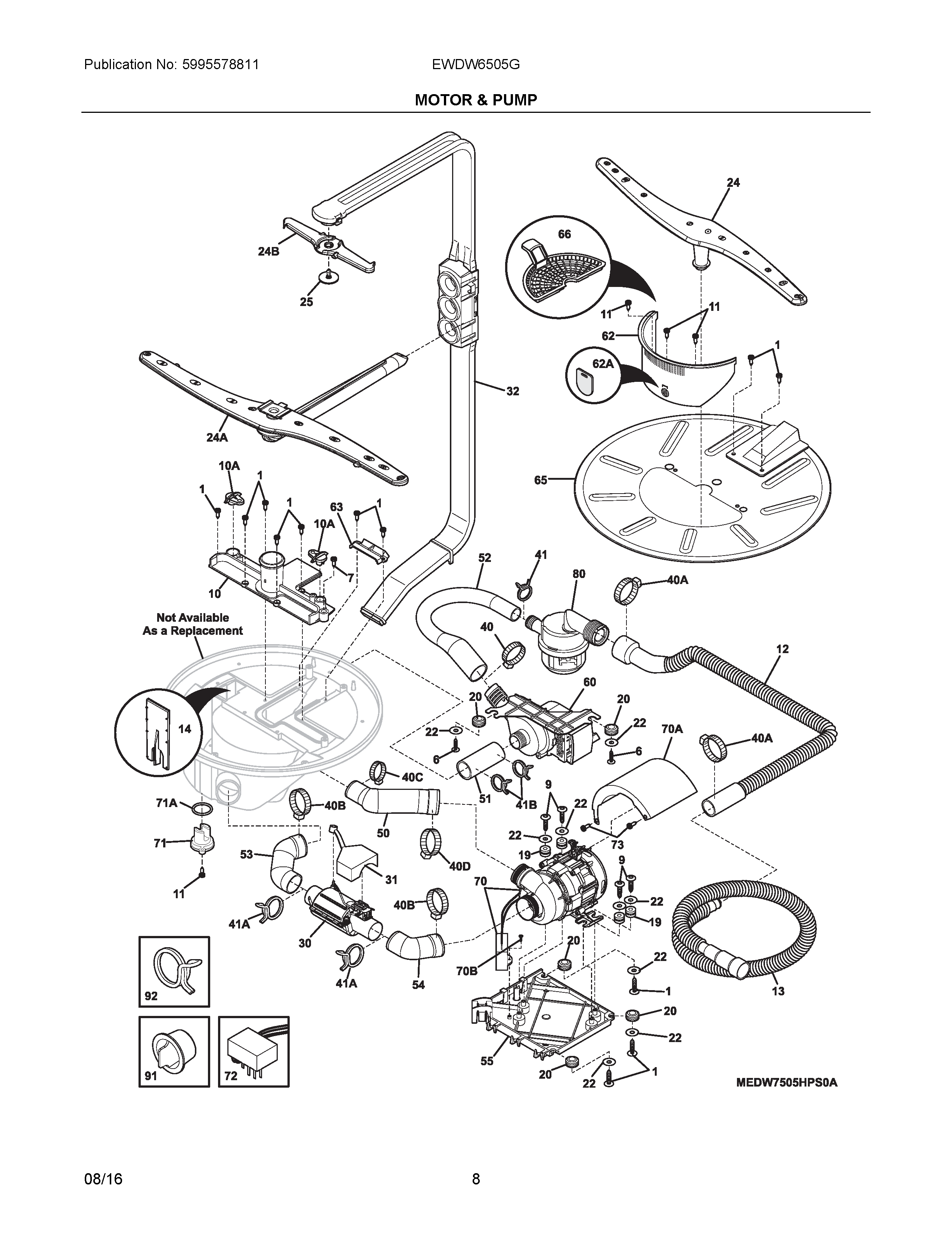
| 10 | SUPPORT, LOWER SPRAY ARM |
| 10A | CLAMP, FILTER, (2) |
| 11 | WCI 5303316032 |
| 12 | HOSE, DRAIN, INTERMEDIATE |
| 13 | 5304521094 Frigidaire Dishwasher Hose |
| 14 | BRACKET, DRAIN |
| 19 | GROMMET, VIBRATION, (4) |
| 20 | GROMMET, VIBRATION, (5) |
| 22 | 5300809968 Frigidaire Dishwasher P-1 Washer |
| 24B | SPRAY ARM, ASSEMBLY, UPPER |
| 24A | SPRAY ARM, ASSEMBLY, MIDDLE, W/MANIFOLD |
| 24 | 154755501 Frigidaire Dishwasher Spray Arm |
| 25 | PIN, SPRAY ARM, UPPER |
| 30 | 154503701 Frigidaire Heating Element |
| 31 | COVER, INLINE HEATER |
| 32 | TUBING ASSEMBLY, DELIVERY, W/CHECK VALVE |
| 40B | WCI 154693001 |
| 40A | 154380601 Frigidaire Dishwasher Clamp Assembly |
| 40D | CLAMP, SPRING, 1.625", SAE 26 |
| 40C | CLAMP, SPRING, 1.312", SAE 21 |
| 40 | CLAMP, HOSE, 1.64" OPEN, WORM GEAR |
| 41B | CLAMP, SPRING, (2) |
| 41 | 154348401 Frigidaire Dishwasher Clamp |
| 41A | 154611101 Frigidaire Dishwasher Clamp |
| 50 | 154760501 Frigidaire Dishwasher Hose |
| 51 | 154757702 Frigidaire Hose |
| 52 | 154622402 Frigidaire Dishwasher Hose |
| 53 | WCI 154653201 |
| 54 | WCI 154653301 |
| 55 | 154677101 Frigidaire Dishwasher Plate |
| 60 | 154757901 Frigidaire Dishwasher Pump Assembly |
| 62 | FILTER ASSEMBLY, VERTICAL, W/FLAPPER |
| 62A | FLAPPER, DRAIN CHECK |
| 63 | COVER, DEL |
| 65 | 154283005 Frigidaire Dishwasher Filter Assembly |
| 66 | WCI 154740901 |
| 70B | WCI 154614401 |
| 70 | 154614002 Frigidaire Dishwasher Drain Pump and Motor Assembly |
| 70A | WCI 154656401 |
| 71 | 154473901 Frigidaire Dishwasher Sensor |
| 71A | 154691901 Frigidaire Dishwasher O-Ring |
| 72 | 154655901 Frigidaire Dishwasher Sensor |
| 73 | SCREW, 6 LOBE RECESS, #8-32 |
| 80 | 154622001 Frigidaire Dishwasher Drain Valve |
| 91 | WCI 154676701 |
| 92 | 154348502 Frigidaire Dishwasher Clamp |