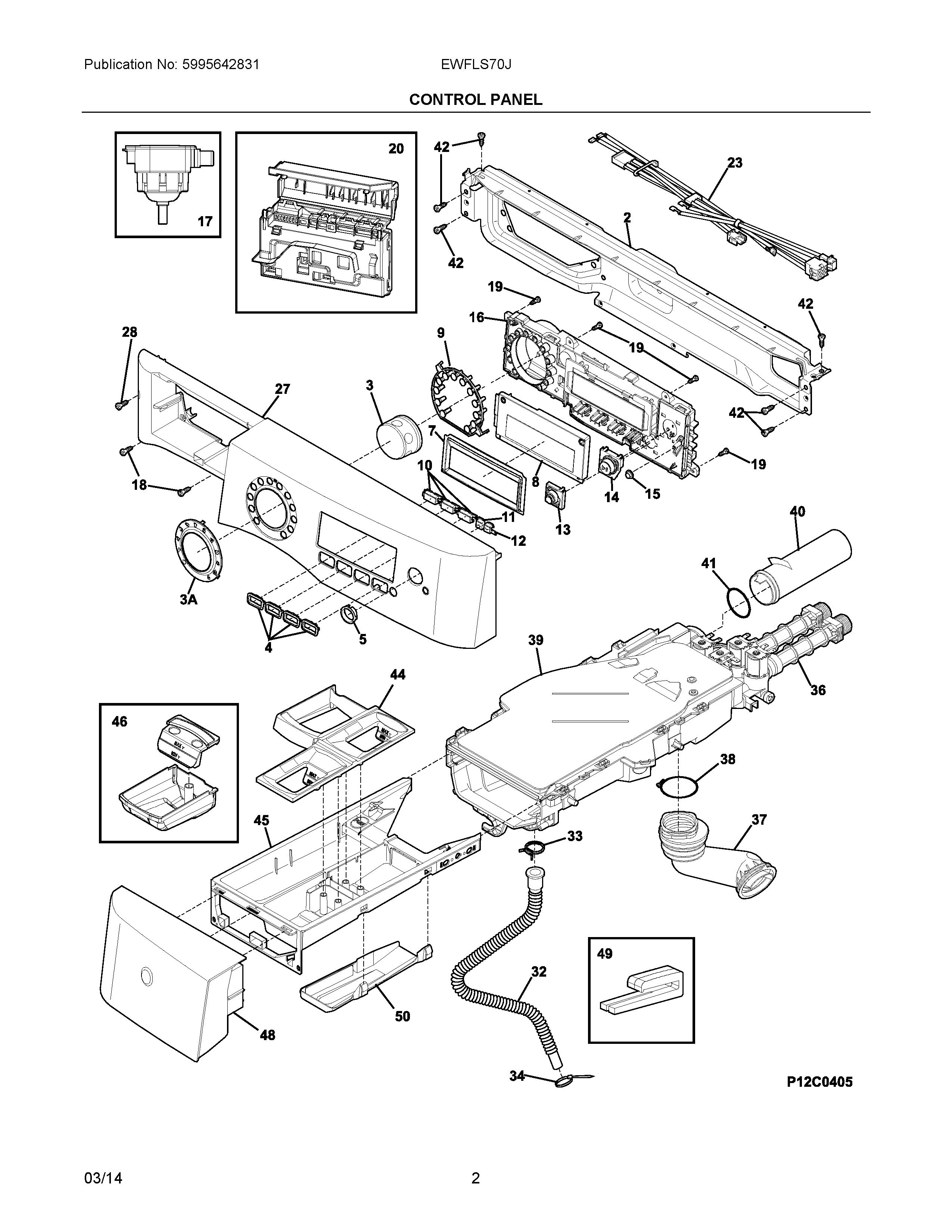
EWFLS70JRR0 02 – CONTROL PANELadmin2025-04-26T08:53:31+00:00EWFLS70JRR0 02 – CONTROL PANEL ProductsPositionProductNIA134178901 Frigidaire ScrewNIWCI 137356500NIA134371300 DISPENSER TO VALVE GASKET2134887400 Frigidaire Bracket3AWCI 1370214003WCI 1347665004134871900 Frigidaire Pipe5134767800 Frigidaire Pipe7137007800 Frigidaire Trim8134767600 Frigidaire Lens9134768400 Frigidaire Pipe10137007900 Frigidaire Cap11137043100 Frigidaire Button12137010900 Frigidaire Button13137021200 Frigidaire Button14137009900 Frigidaire Button15WCI 13700810016809020010 Frigidaire Control Board17134762010 Frigidaire Washer Switch18131302800 Frigidaire Drum Vane Screw19134402900 Frigidaire Screw20809019910 Frigidaire Control Assembly23HARNESS, WIRING, MAIN27WCI 13731243028131302901 Frigidaire Screw32HOSE, DISP-TO-BELLOWS33134737300 Frigidaire Clamp345304464772 Frigidaire Refrigerator Wire Tie36WATER VALVE W/O THERMISTER37134625700 Frigidaire Hose38134372400 Frigidaire Clamp39WCI 13496402040WCI 13437210041134372200 Frigidaire O-Ring42131168200 Frigidaire Dryer Screw44WCI 13463831045WCI 13463820046137143800 Frigidaire Cup48WCI 13731643049137105200 Frigidaire Guide50WCI 134638400