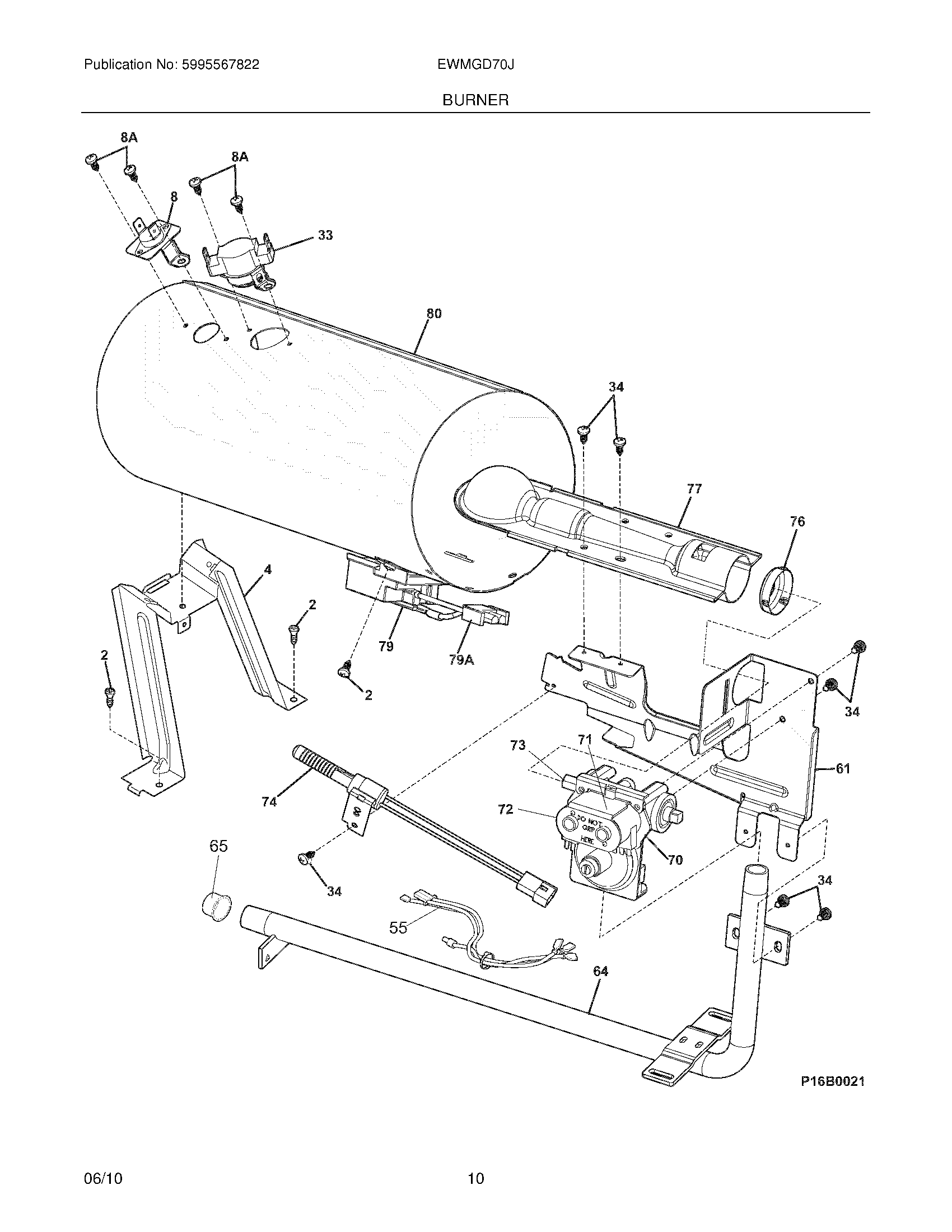
EWMGD70JRR0 11 – BURNER