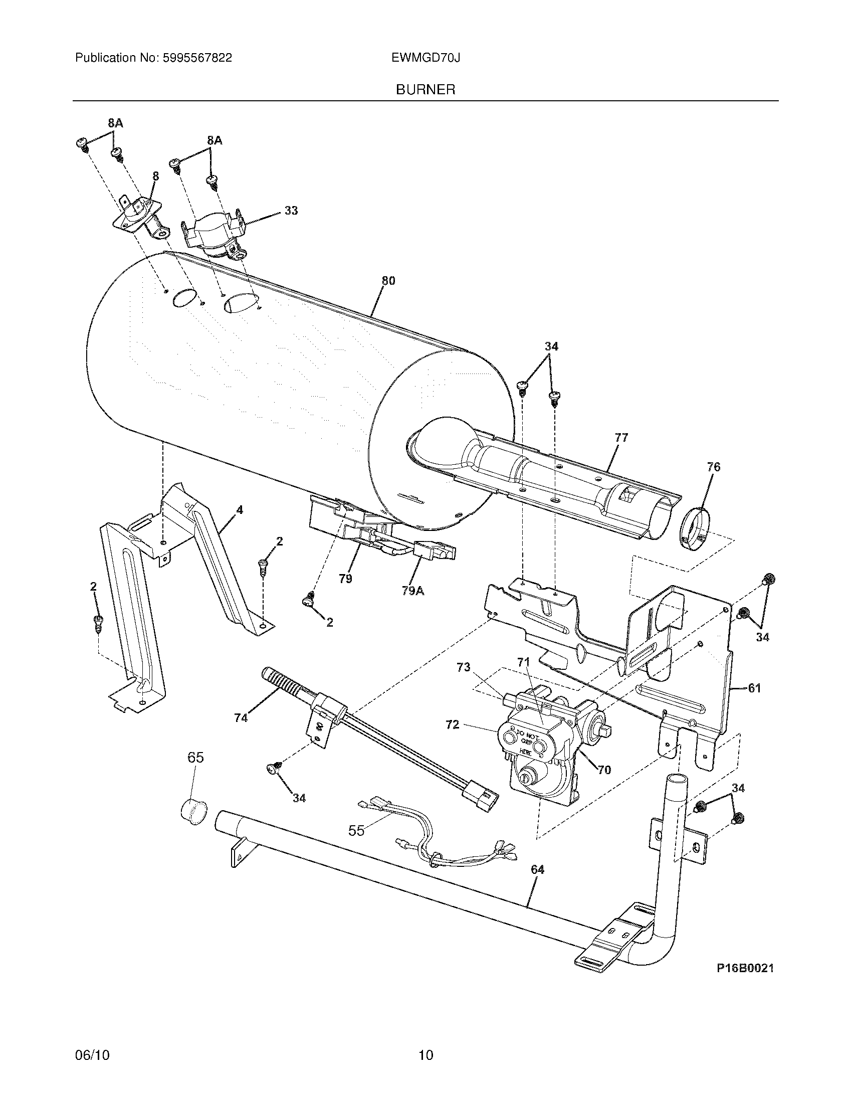
EWMGD70JSS0 11 – BURNER