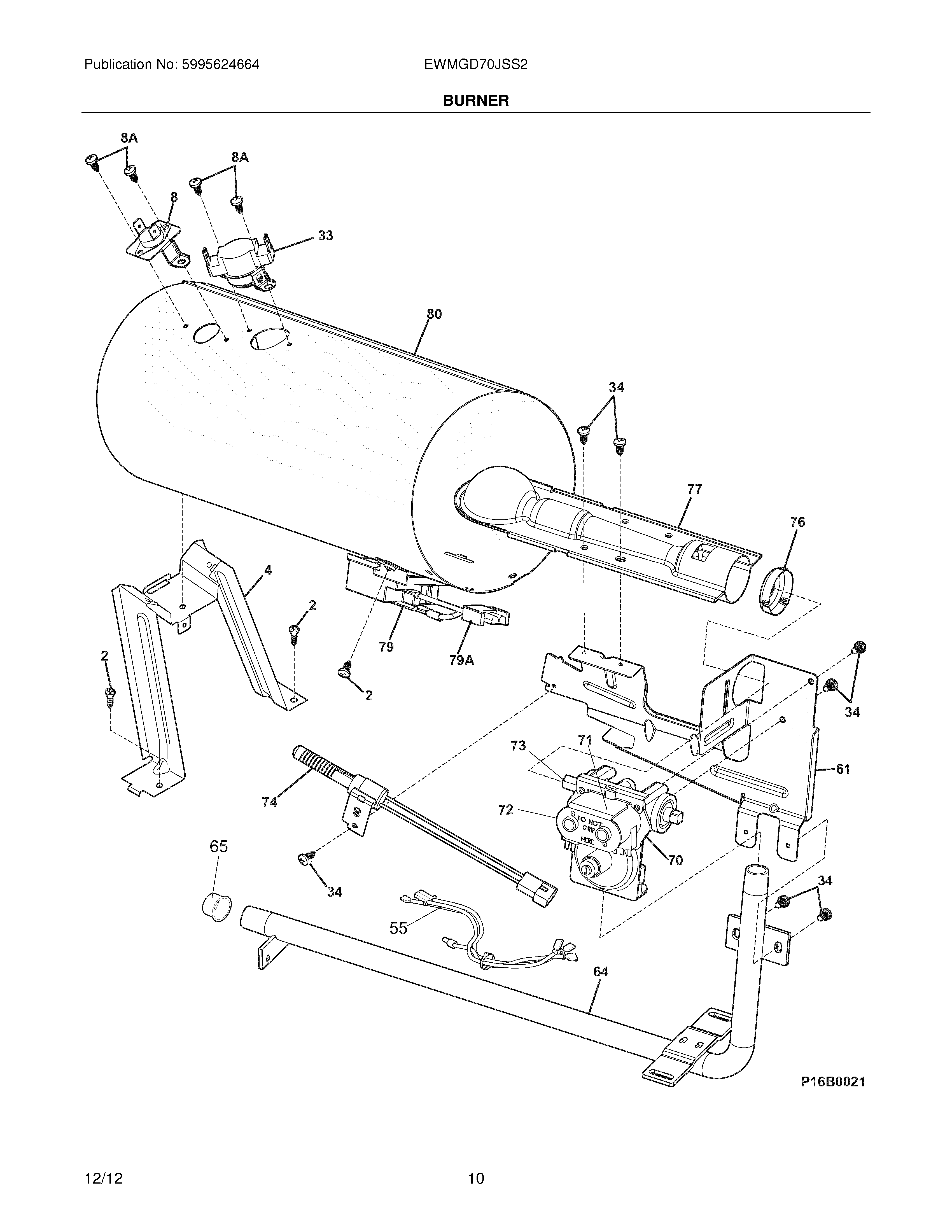
EWMGD70JSS2 11 – BURNER