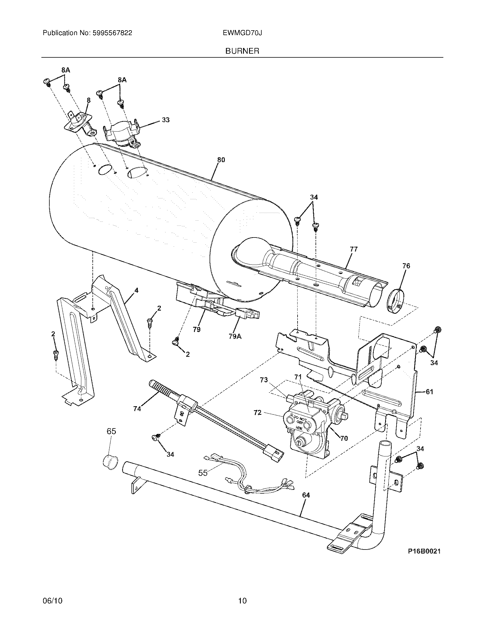
EWMGD70JTS0 11 – BURNER