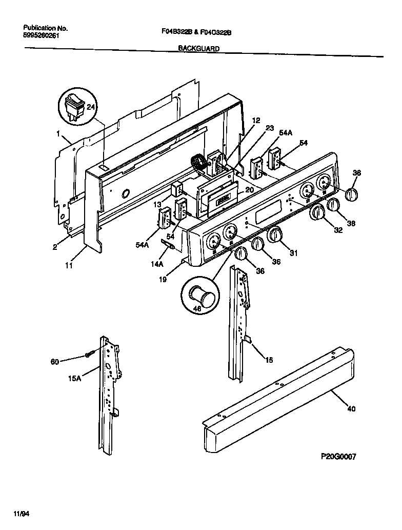
F04B322BWA 02 – BACKGUARDadmin2025-04-26T08:55:41+00:00F04B322BWA 02 – BACKGUARD ProductsPositionProduct*01360316021105 Frigidaire Oven Screw*01361WCI 53032815841WCI 3160752012WCI 31601590711WCI 31606180212THERMOSTAT, OVEN, NON SC13WCI 31603250014A316022503 Frigidaire Light Lamp P-115AWCI 31602311115WCI 31602311019WCI 31602443620WCI 31604510323WCI 316033203245304527841 Frigidaire Oven Rocker Switch (Black)31WCI 31605490432WCI 31605490036WCI 31602510040WCI 31602580046318228310 Frigidaire Oven Lens54A316436001 Frigidaire Oven Range Infinite Burner Switch545303935086 Frigidaire Oven Top Burner Switch Kit60WCI 5303288574