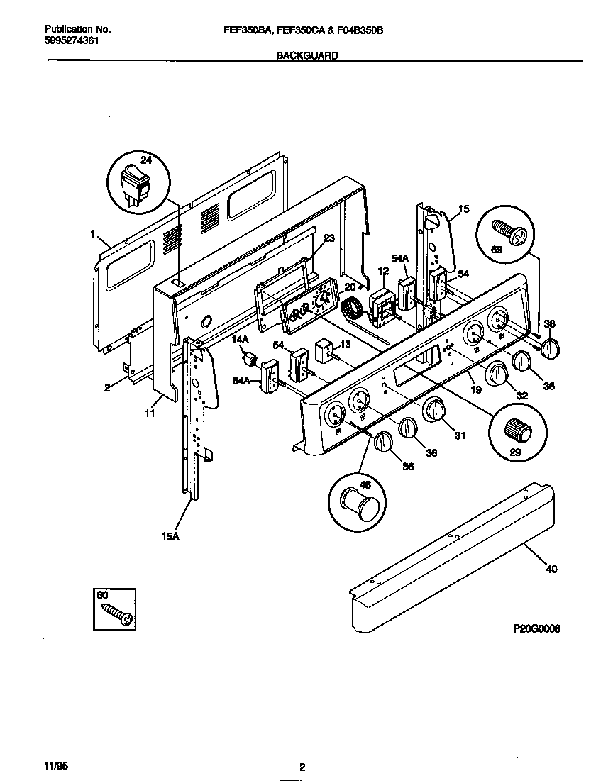
F04B350BDD 02 – BACKGUARDadmin2025-04-26T08:55:38+00:00F04B350BDD 02 – BACKGUARD ProductsPositionProduct*11720WCI 5303281584*11721WCI 53032885741WCI 3160816012WCI 31601590711WCI 31606184112THERMOSTAT-OVEN13WCI 31602320014316022503 Frigidaire Light Lamp P-115WCI 31602311115WCI 31602311019WCI 31602446120WCI 31601740423WCI 316033203245304527841 Frigidaire Oven Rocker Switch (Black)29WCI 31602900031WCI 31605490832WCI 31605490236WCI 31602510040WCI 31602580046318228310 Frigidaire Oven Lens54316436001 Frigidaire Oven Range Infinite Burner Switch545303935086 Frigidaire Oven Top Burner Switch Kit60316021105 Frigidaire Oven Screw69SCREW-SWITCH MTG, 8-32 X 3/16, SW TO CNTL PNL, (8)