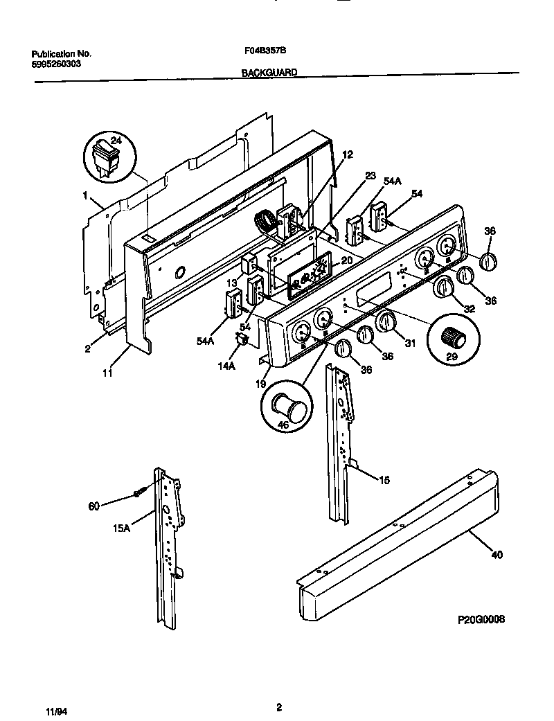
F04B357BDA 02 – BACKGUARDadmin2025-04-26T08:55:09+00:00F04B357BDA 02 – BACKGUARD ProductsPositionProduct*80960WCI 5303281584*80965LIGHT/LAMP, IND, HOT SURFACE*80964LENS-LIGHT/LAMP, INDICATOR1WCI 3160752012WCI 31601590511WCI 31606180212THERMOSTAT-OVEN13WCI 31602320014A316022503 Frigidaire Light Lamp P-115AWCI 31602311115WCI 31602311019WCI 31602443820WCI 31601740423WCI 316033203245304527841 Frigidaire Oven Rocker Switch (Black)29WCI 31602900031WCI 31605490832WCI 31605490236WCI 31602510040WCI 31602580046318228310 Frigidaire Oven Lens545303935086 Frigidaire Oven Top Burner Switch Kit54A316436001 Frigidaire Oven Range Infinite Burner Switch60WCI 5303288574