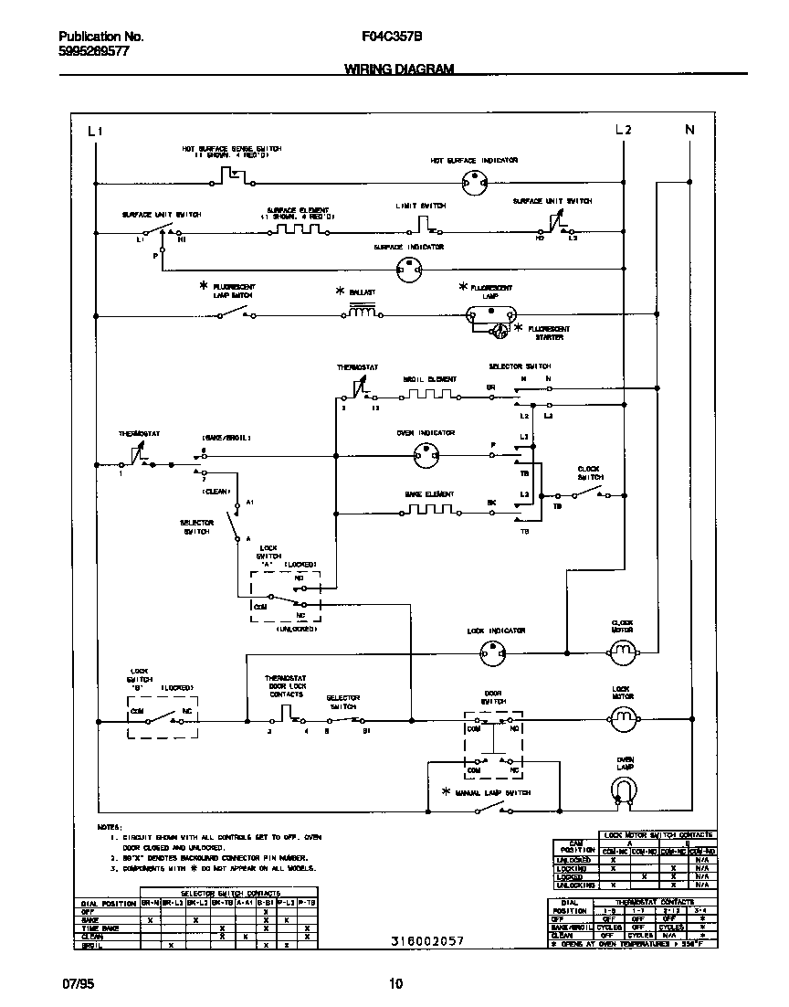
F04B357BWB 06 – WIRING DIAGRAMadmin2025-04-26T08:55:23+00:00F04B357BWB 06 – WIRING DIAGRAM ProductsPositionProduct1WCI 316002057