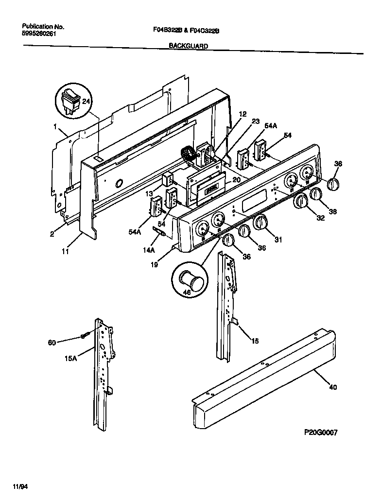
F04C322BSA 02 – BACKGUARDadmin2025-04-26T08:55:34+00:00F04C322BSA 02 – BACKGUARD ProductsPositionProduct*01360316021105 Frigidaire Oven Screw*01361WCI 53032815841WCI 3160752012WCI 31601590711WCI 31606180312THERMOSTAT, OVEN, NON SC13WCI 31603250014A316022503 Frigidaire Light Lamp P-115WCI 31602311015AWCI 31602311119WCI 31602444120CLOCK/TIMER, ELECTRONIC23WCI 31603320324SWITCH-OVEN LIGHT, ROCKER, WHITE31WCI 31605490532WCI 31605490136WCI 31602510140WCI 31602580146318228310 Frigidaire Oven Lens54A316436001 Frigidaire Oven Range Infinite Burner Switch545303935086 Frigidaire Oven Top Burner Switch Kit60WCI 5303288574