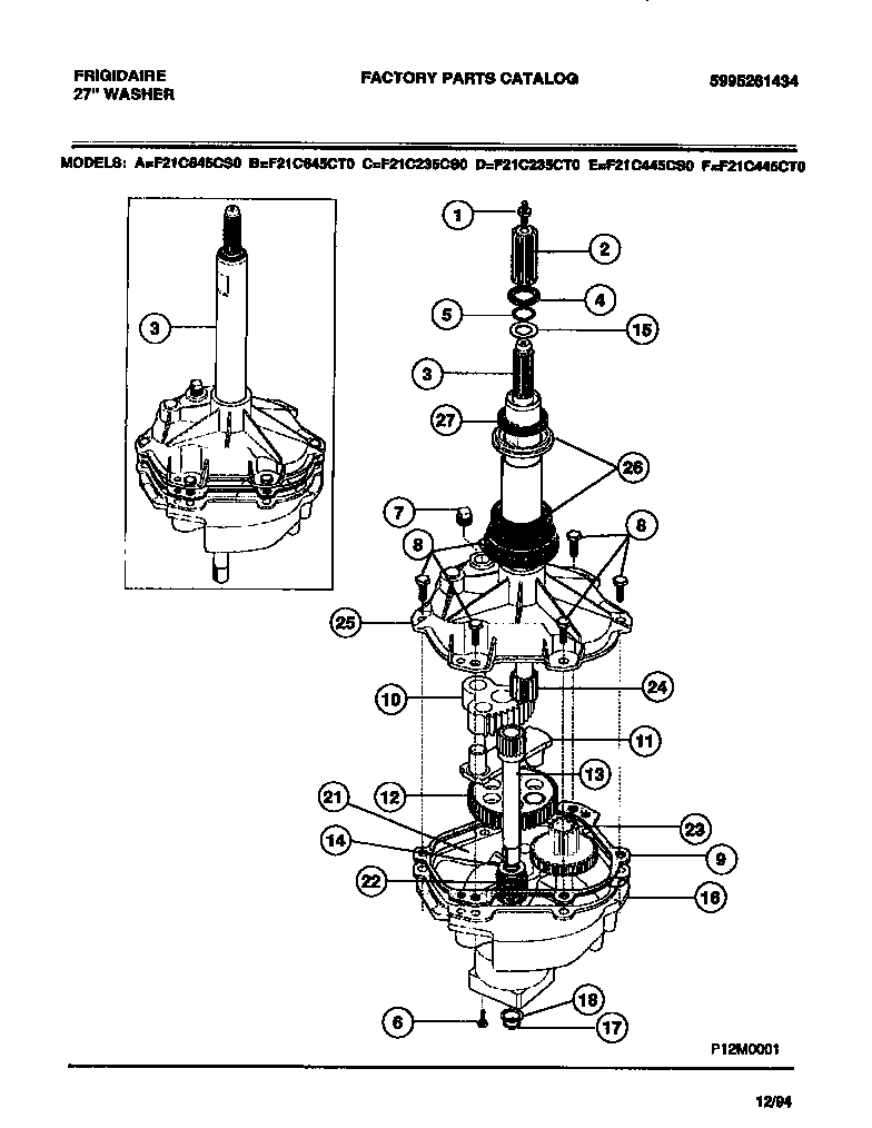
F21C235CT0 04 – WASHER MECHANISMadmin2025-04-26T08:55:26+00:00F21C235CT0 04 – WASHER MECHANISM ProductsPositionProduct1WCI 1312068002134418700 Frigidaire Agitator Drive Hub3TRANSMISSION COMPL.45303161307 Frigidaire Dryer Seal Assembly6134197900 Frigidaire Screw7WCI 53031612248SCREW (6)9GASKET10WCI 530801126811WCI 530316116912WCI 530801549613WCI 530801490514WCI 530316122615WCI 530316122716WCI 13136200017WCI 530316122318WCI 530800247521OIL-TRANSMISSION (1 QT)22WCI 530316117423WCI 530316117524134736400 Frigidaire Gear Case25WCI 530329443726SEAL-TUB27THRUST WASHER