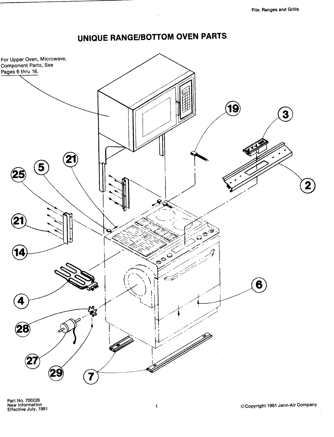
F220 08 – UNIQUE RANGE/BOTTOM OVEN PARTSadmin2025-04-26T09:34:59+00:00F220 08 – UNIQUE RANGE/BOTTOM OVEN PARTS ProductsPositionProduct2MAY 7013553MAY 7153944MAY 7007145MAY 7013566WP12990527 Whirlpool Microwave Screw7MAY 70135712MAY 70137013MAY 70137114MAY 70137215MAY 70137316MAY 70137417MAY 70137518MAY 70137619MAY 70137720MAY 70137821MAY Y70137922MAY 70138023MAY 70878124MAY 70138125MAY 70138226MAY Y70831027MAY Y70096128MAY Y70096029MAY 700552