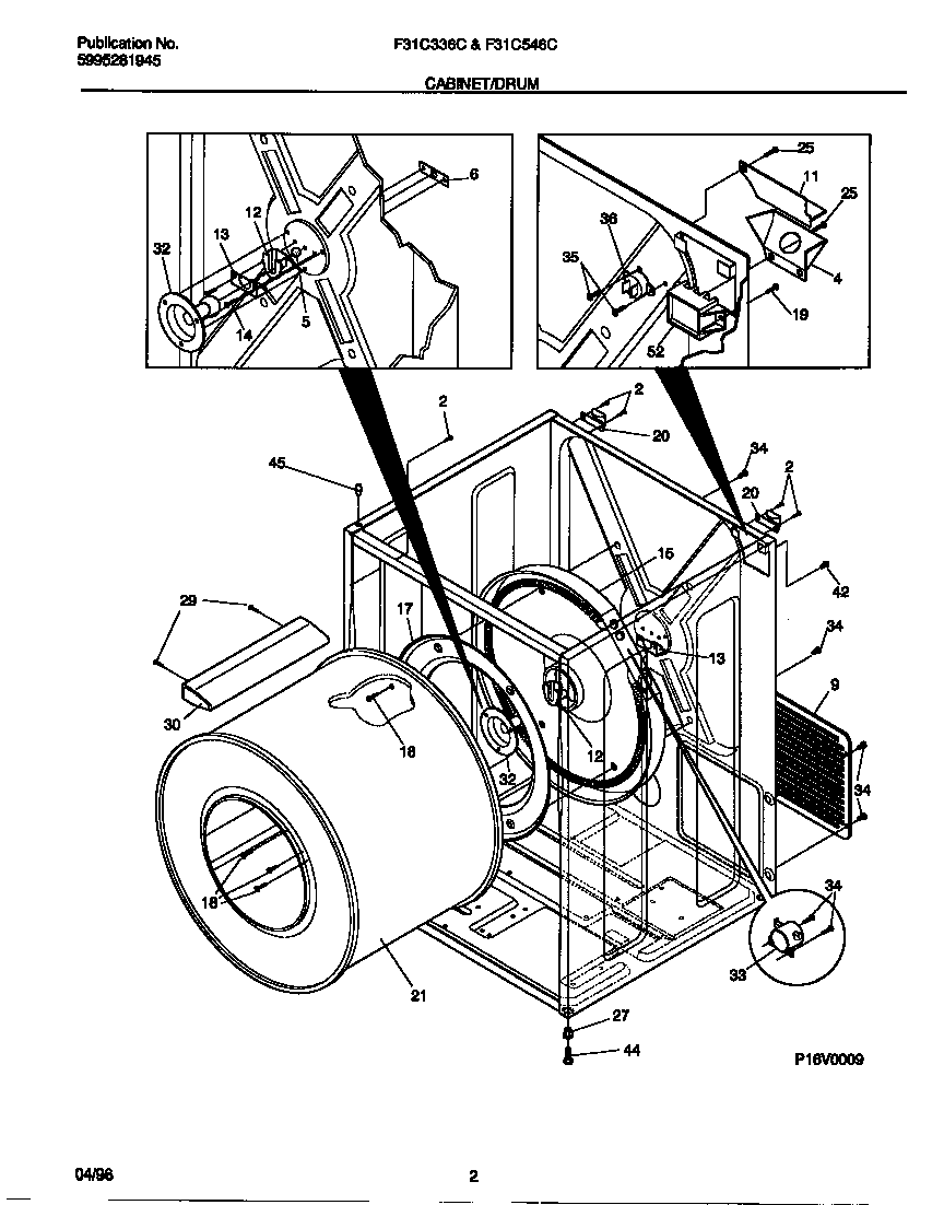
F31C546CS1 02 – CABINET/DRUMadmin2025-04-26T08:55:40+00:00F31C546CS1 02 – CABINET/DRUM ProductsPositionProduct*96880WCI 131353500*96881WCI 5303281153]4WCI 328104055303281019 Frigidaire Ball Assembly65303281020 Frigidaire Ball Clip9PLATE-COVER11WCI 530321142812131825900 Frigidaire Dryer Rear Drum Bearing Support Cup White13131724301 Frigidaire Dryer Drum Bearing Bracket14131205400 Frigidaire Screw15HEATER ASSY W/HSNG173204254 Frigidaire Baffle Assembly18A131168200 Frigidaire Dryer Screw19131205300 Frigidaire Screw20BRACKET-HINGE21WCI 3201199255303015671 Frigidaire Bracket Termination Screw27WCI 320120229131382300 Frigidaire Screw-VANE30137552900 Frigidaire Vane32131777700 Frigidaire Dryer Bearing Drum33WCI 530328111334131243700 Frigidaire Screw35WCI 0801080436134120900 Frigidaire Dryer Limiter Thermal42134154100 Frigidaire Screw 10-32 x 0.375 Co44BOLT-FOOT (4)45WCI 13134640052134101400 Frigidaire Dryer Kit Terminal Block