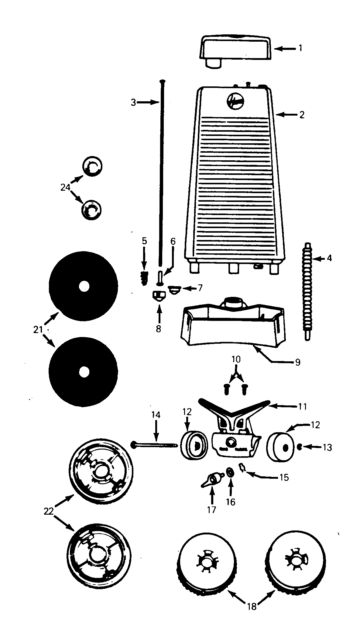
F4005101 03 – TANK, BRUSHES_PADS