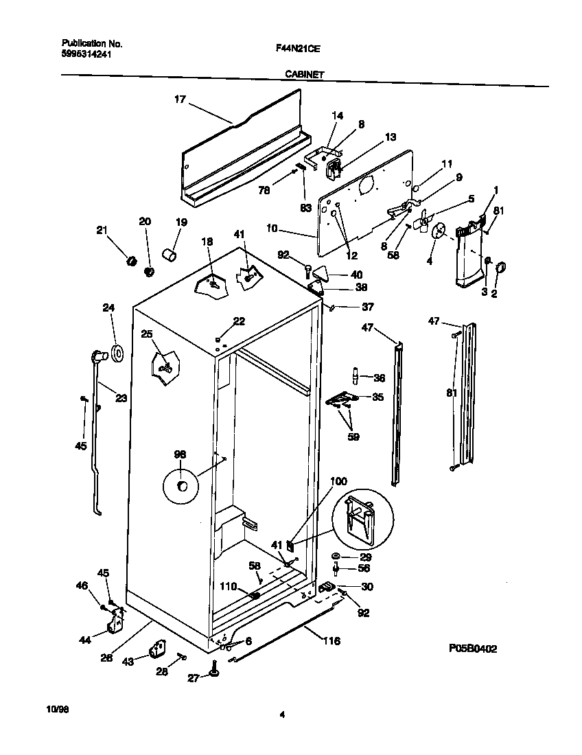
F44N21CED4 03 – CABINET

F44N21CED4 03 – CABINET

Products

PositionProduct
*14007TAPPING PLATE, UPPER HINGE (2) (NOT ILLUSTRATED)
*14012WCI 218659600
*14006WCI 218605300
*14014TOUCH, UP PAINT, ALMOND (NI)
*14010WCI 218601201
*14009WCI 5308009790
*140085304500407 Frigidaire Refrigerator Shelf Mounting Grommet
*14015PLUG, BUTTON, CABINET LINER (NI)
*14004NUT, ``U`` TYPE, NO. 8-15(A), FAN MOTOR MOUNT (NOT ILLUSTRATED)
*14005WCI 218605200
*14011WCI 218601202
1WCI 5304402655
2WCI 5303307351
3Nut,push-on
4WCI 218722200
55308000010 Frigidaire Refrigerator Evaporator Fan Blade
6PLUG-BUTTON, ALMOND, UPR HINGE HOLES
8G187559 Frigidaire Refrigerator Bushing
9WCI 5303205118
10WCI 218802800
115303208309 Frigidaire Refrigerator Plug Hole
12BWCI 215079100
12AWCI 215079000
135300158289 Frigidaire Evaporator Fan Motor
14WCI 5303322992
17WCI 5303001470
18SUPPORT - EVAP COVER, (2)
19TUBE-RUBBER
20WCI 5303001286
21WCI 5303001287
22WCI 215774911
23WCI 5303210377
24WCI 5303207353
25WCI 215774100
26WCI 218605102
27Screw-leveling,(2)
28BOLT-ROLLER ADJ, HEX HD, 1/4-28 X 2.750
29BWASHER,NYLON ,0.245 ID W/NIBS
29AWCI 218666700
30WCI 218220200
35WCI 218220102
36218251300 Frigidaire Refrigerator Center Hinge Pin
37WCI 5303321082
38WCI 3206100
40WCI 3206105
415304509705 Frigidaire Refrigerator Grommet
43WCI 218703001
44WCI 218713600
45SCREW,HEX HD SER WSHR ,8-18 X 0.375
46BOLT-ROLLER MTG, HEX WASHER HEAD, 1/4-28 X 1/2, (2)
47WCI 218233300
565303001321 Frigidaire Refrigerator Lower Hinge Pin
59240442708 Frigidaire Refrigerator Screw-#10-32 X 3/4
785304455651 Frigidaire Refrigerator Screw
815304455650 Frigidaire Refrigerator Screw
83WCI 5308000107
92241710601 Frigidaire Refrigerator Screw
98PLUG-BUTTON, ALMOND, CTR HINGE HOLE
100SUPPORT-PAN COVER
110WCI 215363501
116WCI 215426703