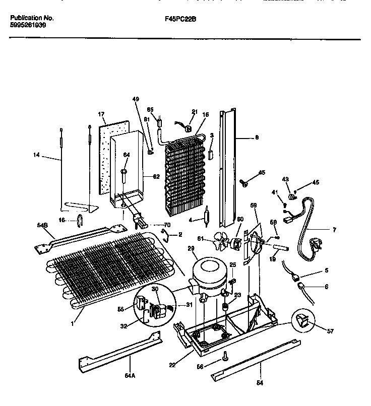
F45PC22BD0 07 – COOLING SYSTEMadmin2025-04-26T08:55:49+00:00F45PC22BD0 07 – COOLING SYSTEM ProductsPositionProduct*25207WCI 53039171661SPACER TUBE1SPACER-COND TUBE,BLACK1WCI 53032894872WCI 53032890293BLOCK-EVAP COIL, STYROFOAM INSUL, LH (NOT ILLUSTRATED)3WCI 21522650145303305677 Frigidaire Replacement Filter Dryer Filters5HARNESS-WIRING, FRZR CONTROLS (NOT ILLUSTRATED)5HARNESS-WIRING, REFR CONTROLS (NOT ILLUSTRATED)5WCI 2154588016WCI 2155016017WCI 2154592018WCI 530328903314WCI 21575200015TUBE-INLET (NOT ILLUSTRATED)15EVAPORATOR, W/HEAT EXCHANGR165308000110 Frigidaire Refrigerator Evaporator/Heater Primary Strap17WCI 530328949619TUBE-RUBBER215303917954 Frigidaire Refrigerator Defrost Limit Thermostat Kit22WCI 530328903023218513300 Frigidaire Refrigerator Compressor Mount Grommet25WCI 21501420029COMPRESSOR W/O ELECTRICALS30WCI 21600890031WCI 530327470032WCI 215012000415308000039 Frigidaire Refrigerator Screw435308000133 Frigidaire Refrigerator Clamp435303001199 Frigidaire Refrigerator Wiring Harness Clamp455304455852 Frigidaire Refrigerator Screw455304455651 Frigidaire Refrigerator Screw49WCI 21550690054AWCI 530328931154WCI 530328902754BWCI 5303289292555304464438 Frigidaire Compressor Run Capacitor56WCI 21501410057WCI 21507380058240555002 Frigidaire Refrigerator Screw #8-32 X 3/859WCI 530328903160WCI 21550180061WCI 21500470061GROMMET, SILENCER (NOT ILLUSTRATED)61WCI 530328903262WCI 21504870064241957901 Frigidaire Refrigerator Tube-Drain65WCI 530328930170WCI 5303289041815304455650 Frigidaire Refrigerator Screw