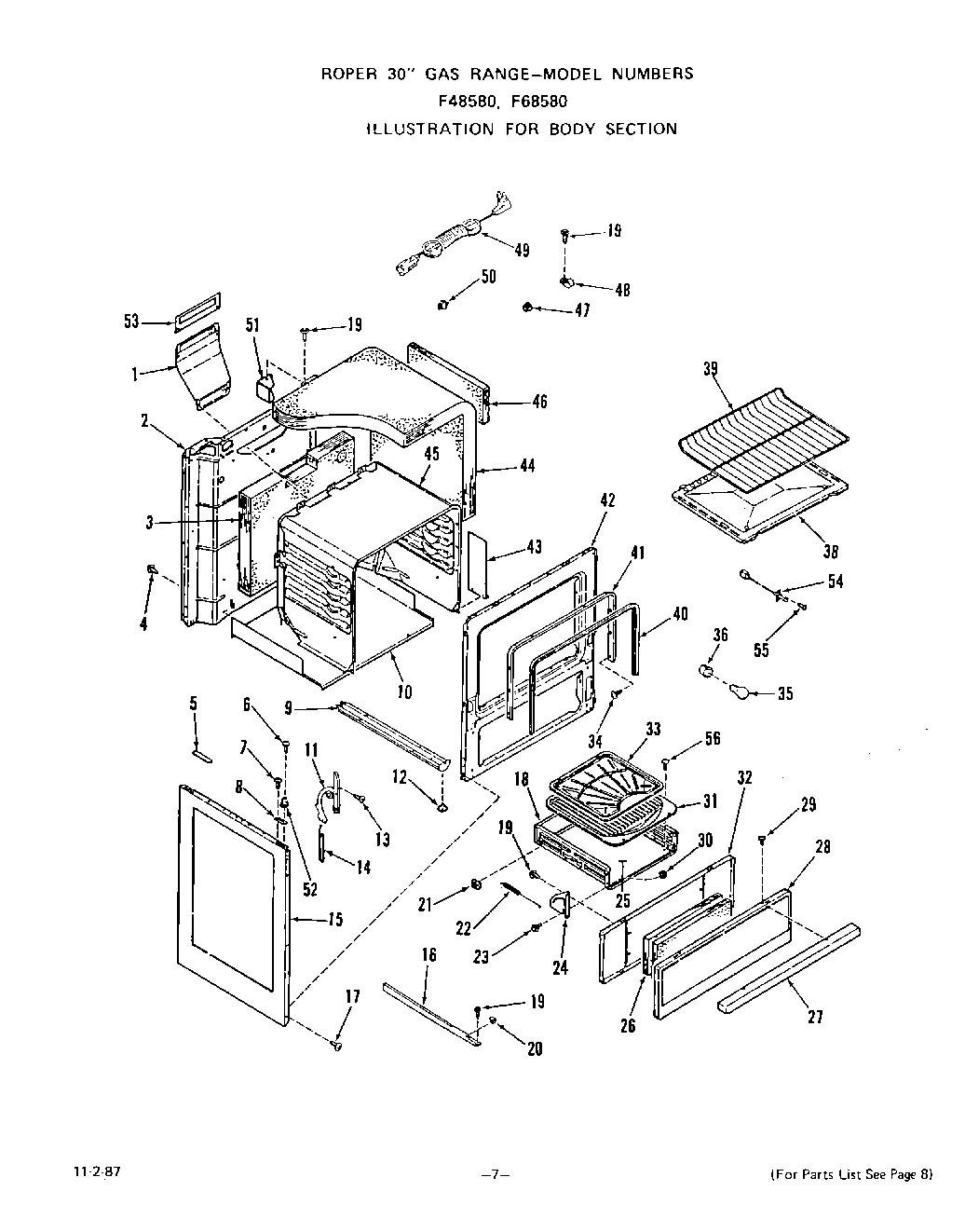
| 1 | Flue Deflector |
| 2 | Back-Main |
| 3 | Insulation-Oven Back |
| 4 | WP112432 Whirlpool Nut Assembly |
| 5 | Spacer-Main Top |
| 6 | Screw 6-32x7/8`` |
| 7 | Screw |
| 8 | WPL 334341 |
| 8 | Side Support |
| 8 | WPL 334340 |
| 9 | Base w/Levelers-Lt. or Rt. |
| 10 | Bottom-Main |
| 11 | Door Hinge |
| 11 | Hinge-Main Top (Right) |
| 11 | Hinge-Main Top (Left) |
| 12 | Leg Leveler (4 Req) |
| 13 | Screw |
| 14 | Spring-Oven Door (Lt. or Rt.) |
| 15 | Body Side |
| 15 | Body side (White) |
| 15 | Body Side (Almond) |
| 16 | Broiler Drawer Guide (Right) |
| 16 | Broiler Drawer Guide |
| 16 | Broiler Drawer Guide (Left) |
| 17 | Screw 10ABx1/2`` |
| 18 | Broiler Drawer |
| 19 | Screw 10-16x7/16`` |
| 20 | Slide Block - Front |
| 21 | Slide Block - Rear |
| 22 | WPL 327481 |
| 23 | Bolt-Shoulder |
| 24 | Hinge-Broiler Drawer (Lt. or Rt.) (Left) |
| 24 | Hinge-Broiler Drawer (Lt. or Rt.) (Right) |
| 24 | Drawer Hinge |
| 25 | WPL 331554 |
| 27 | Handle |
| 28 | White |
| 28 | Almond |
| 28 | Door Panel |
| 29 | Screw 10-16x1/2`` |
| 30 | Keps Nut 10-24 |
| 31 | Pan-Broiler (14451A M |
| 32 | Lining-Broiler Door (14451A Models) |
| 33 | WPL 331588 |
| 34 | Screw 10ABx1/2`` |
| 35 | Oven Lamp Bulb |
| 36 | Holder-Oven Lamp Bulb |
| 38 | WPL 327084 |
| 38 | Oven Bottom |
| 38 | WPL 331539 |
| 39 | WPL 326068 |
| 39 | Oven Rack |
| 39 | Folding |
| 40 | WPL 326047 |
| 41 | main chassis (almond) |
| 42 | Front Frame |
| 43 | WPL 328984 |
| 44 | Insulation-Oven Top & Sides (1 Piece) |
| 45 | Oven Body |
| 45 | Oven Body |
| 45 | (Model F68580) |
| 46 | W10820036 Whirlpool Door Switch Kit |
| 47 | WPL 232365 |
| 48 | Clip |
| 49 | Range Service Cord |
| 50 | Disconnect |
| 51 | Wire Cover |
| 52 | Strike |
| 53 | WPL 329314 |
| 54 | Sensor |
| 55 | Screw 6-32x1/4`` |
| 56 | Screw 10-32x7/16`` |