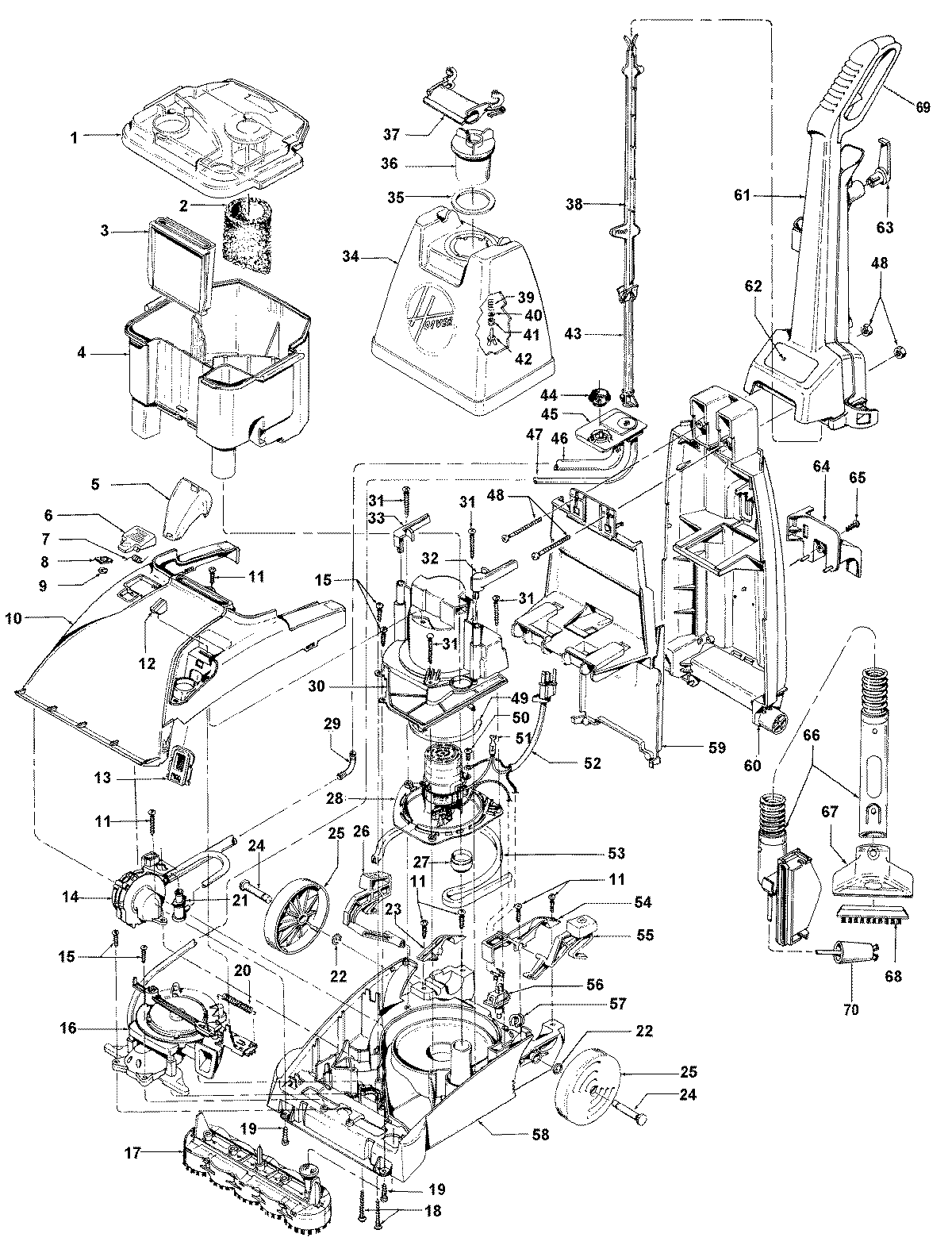
F58429RM 01 – MAINHSG_UPPER, MAINHSG_LOWERadmin2025-04-26T09:38:33+00:00F58429RM 01 – MAINHSG_UPPER, MAINHSG_LOWER ProductsPositionProduct1MAY 422721112MAY 436110413MAY 386610034MAY 387770815MAY 393831066MAY 372571407MAY 383510178MAY 387830219MAY 2136200610MAY 3727107212MAY 3842109313MAY 4361300914MAY 4358200315MAY 2144721716MAY 4319100117MAY 4843702218MAY 2147943819MAY 2144707220MAY 3833300921MAY 4352300422MAY 160017--23MAY 3613108524MAY 3243400725MAY 3852207626MAY 3845804227MAY 3878406328MAY 4357620228MAY 4030900829MAY 3324100130MAY 4030900631MAY 2144723232MAY 3615102933MAY 3615101934MAY 4227213435MAY 3878406236MAY 4227200237MAY 3945701638MAY 3845803139MAY 3831201441MAY 3878406142MAY 3871700943MAY 3845803344MAY 3878406045MAY 4351600847MAY 4030900248MAY 4020114949MAY 3411300450NOT REQUIRED PART OR SEE NOTE FUSE (NOT REQUIRED)51MAY 012227--52MAY 4658301252MAY 4658304453MAY 3878104854MAY 3613108655MAY 3843402556MAY 2821804857MAY 3617201658MAY 4227400559MAY 3727600160MAY 3946603361MAY 4866318163MAY 3944203964MAY 4142603065MAY 2144700366MAY 4030900767MAY 3861304068MAY 4844500369MAY 3871902769MAY 5163805569MAY 3878407069MAY 4353800169MAY 3951400169MAY 5163912469MAY 4341200369MAY 4841700369MAY 5186502469MAY 4351301069MAY 51855028