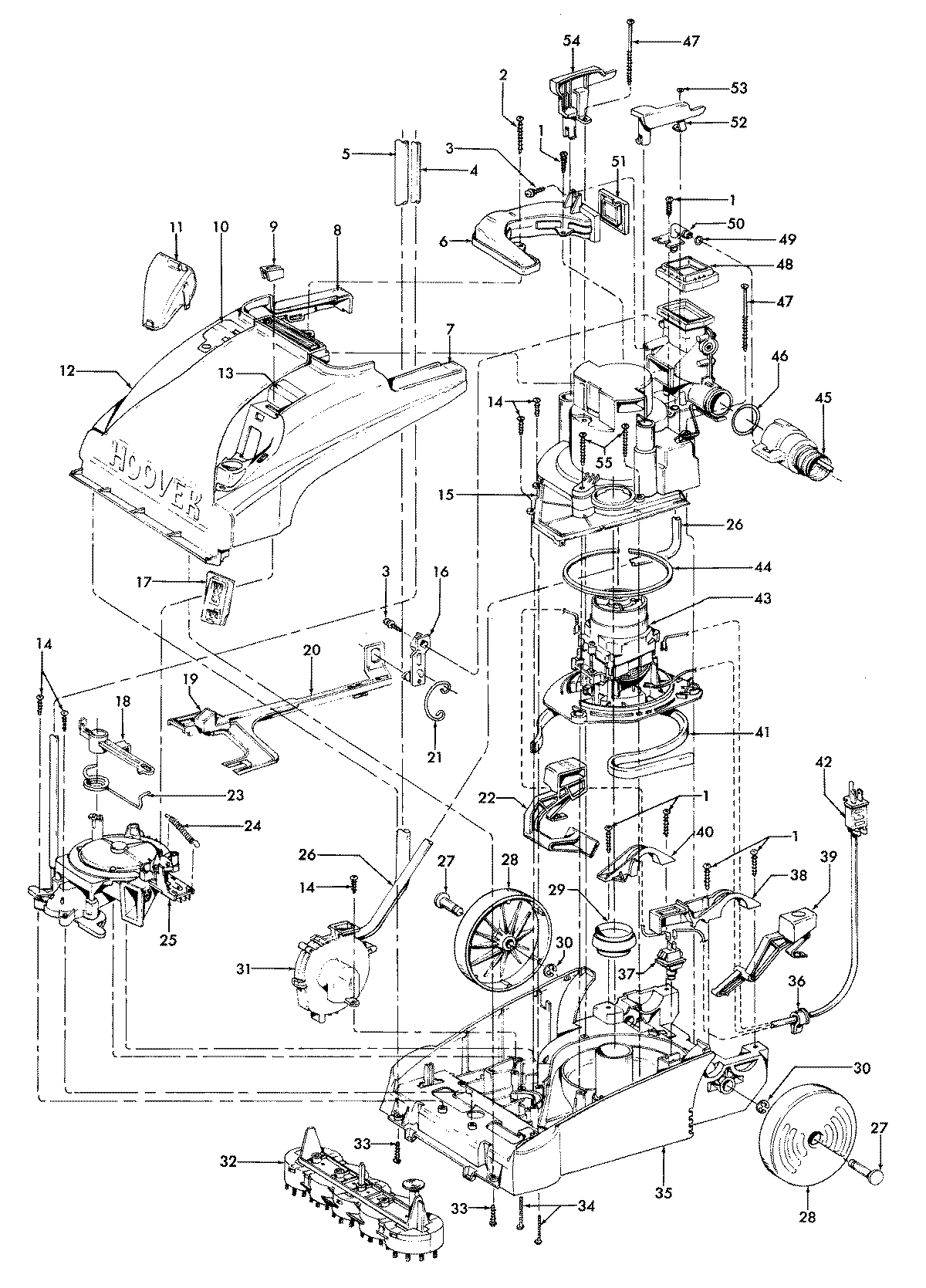
F5865900 02 – MOTOR ASSEMBLY, HOOD, SWITCH