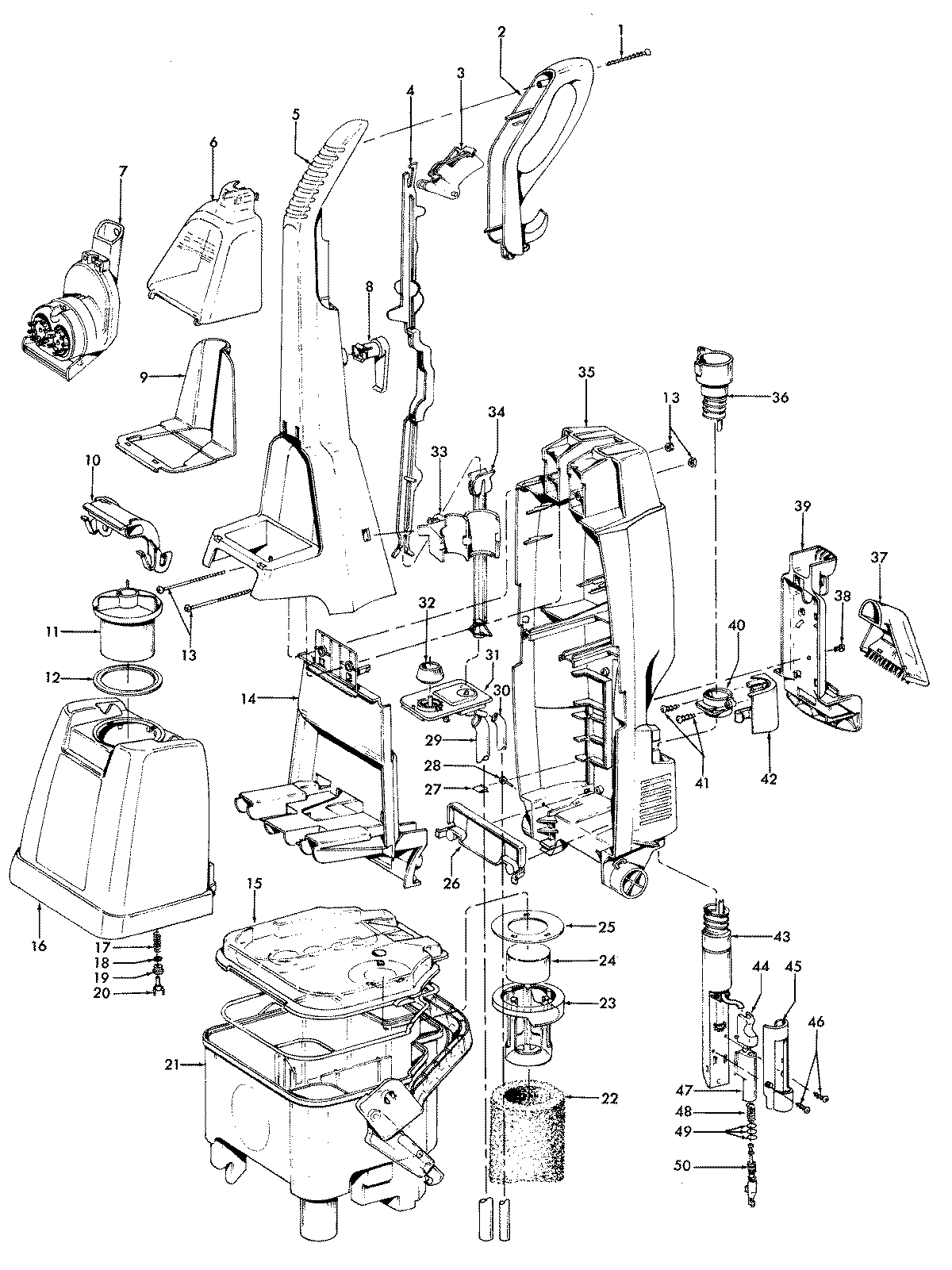
F5868900 01 – CLEANINGTOOLS, HANDLE, TANKadmin2025-04-26T09:38:52+00:00F5868900 01 – CLEANINGTOOLS, HANDLE, TANK ProductsPositionProduct1MAY 214472482MAY 394580063MAY 384340284MAY 384580375MAY 486632155MAY 403090386MAY 372760147MAY 484390028MAY 394420419MAY 3643312710MAY 3945701611MAY 4227200212MAY 3878406213MAY 4020115414MAY 3727600215MAY 4227212016MAY 4227213417MAY 3831201418MAY 2131251819MAY 3878406120MAY 3871700921MAY 3877706522MAY 4361104123MAY 3871902724MAY 4353800125MAY 3878407026MAY 3727601027MAY 2137816228MAY 2144724430MAY 4030900231MAY 4351600832MAY 3878406033MAY 3617200534MAY 3845803335MAY 3946603737MAY 3861304037MAY 3861303338MAY 2144704139MAY 3643313140MAY 3617103241MAY 2144722842MAY 3613109743MAY 4030903243MAY 4343601144MAY 3843307445MAY 3727600646MAY 2144723947MAY 4351301148MAY 3831201949NOT REQUIRED PART OR SEE NOTE FUSE (NOT REQUIRED)50MAY 4341200790MAY 4341200390MAY 4030201690MAY 4030303290MAY 5733301690MAY 4841700391MAY 3861303891MAY 48434006900MAY 38777070996MAY 56518094996MAY 56518097996MAY 56518098