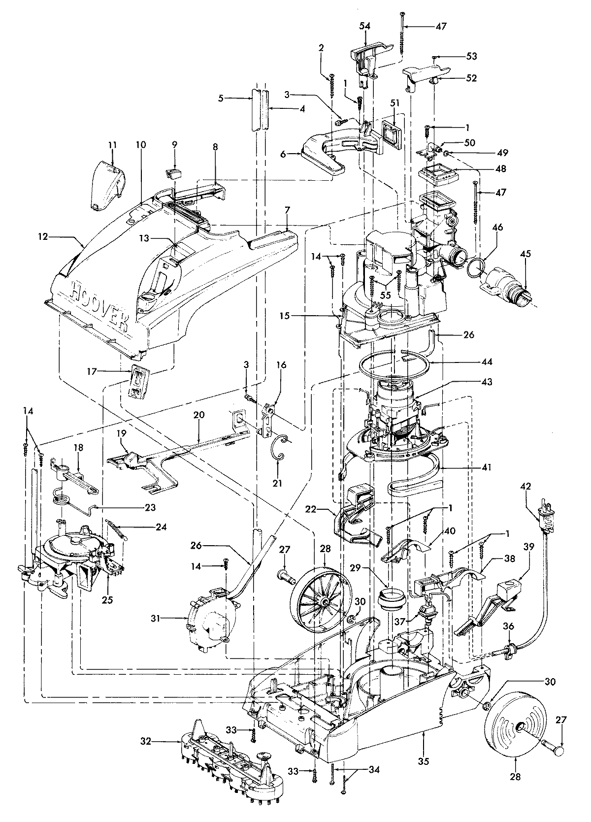
F5870900 02 – MOTOR ASSEMBLY, HOOD, SWITCHadmin2025-04-26T09:40:01+00:00F5870900 02 – MOTOR ASSEMBLY, HOOD, SWITCH ProductsPositionProduct1MAY 214470032MAY 214472473MAY 231490026MAY 434660717MAY 518650248MAY 516380559MAY 422740069MAY 372711079MAY 387690289MAY 498110809MAY 3842109310MAY 5143800611MAY 3938310612MAY 3727105212MAY 3727108012MAY 3727107812MAY 3727107312MAY 3727104612MAY 3727104312MAY 3727105112MAY 3727104512MAY 3727105512MAY 3727104812MAY 3727105013MAY 5163919214MAY 2144721715MAY 4219100715MAY 4219100516MAY 3643900117MAY 4361300918NOT REQUIRED PART OR SEE NOTE FUSE (NOT REQUIRED)19MAY 5161100820MAY 3845802420MAY 3845805021MAY 3613200322MAY 3845804223MAY 3835601324MAY 3833300925MAY 4319100326MAY 4030900227MAY 3243400728MAY 3852207629MAY 3878406330MAY 160017--31MAY 4358200532MAY 4843702233MAY 2144707234MAY 2147943835MAY 3727209535MAY 4227400536MAY 3617201637MAY 2821804838MAY 3613108639MAY 3843402540MAY 3613108541MAY 3878104842MAY 4658304442MAY 4658301243MAY 4030900943MAY 4357616343MAY 4131101643MAY 4357620243MAY 4357620344MAY 3411300445MAY 4030903245MAY 4343601146MAY 2515651847MAY 2144724648MAY 3878302349MAY 2515651750MAY 3871903951MAY 3878302452MAY 3615102153MAY 2136410754MAY 3615102055MAY 2144723256MAY 4981103960MAY 48447002900MAY 37271064