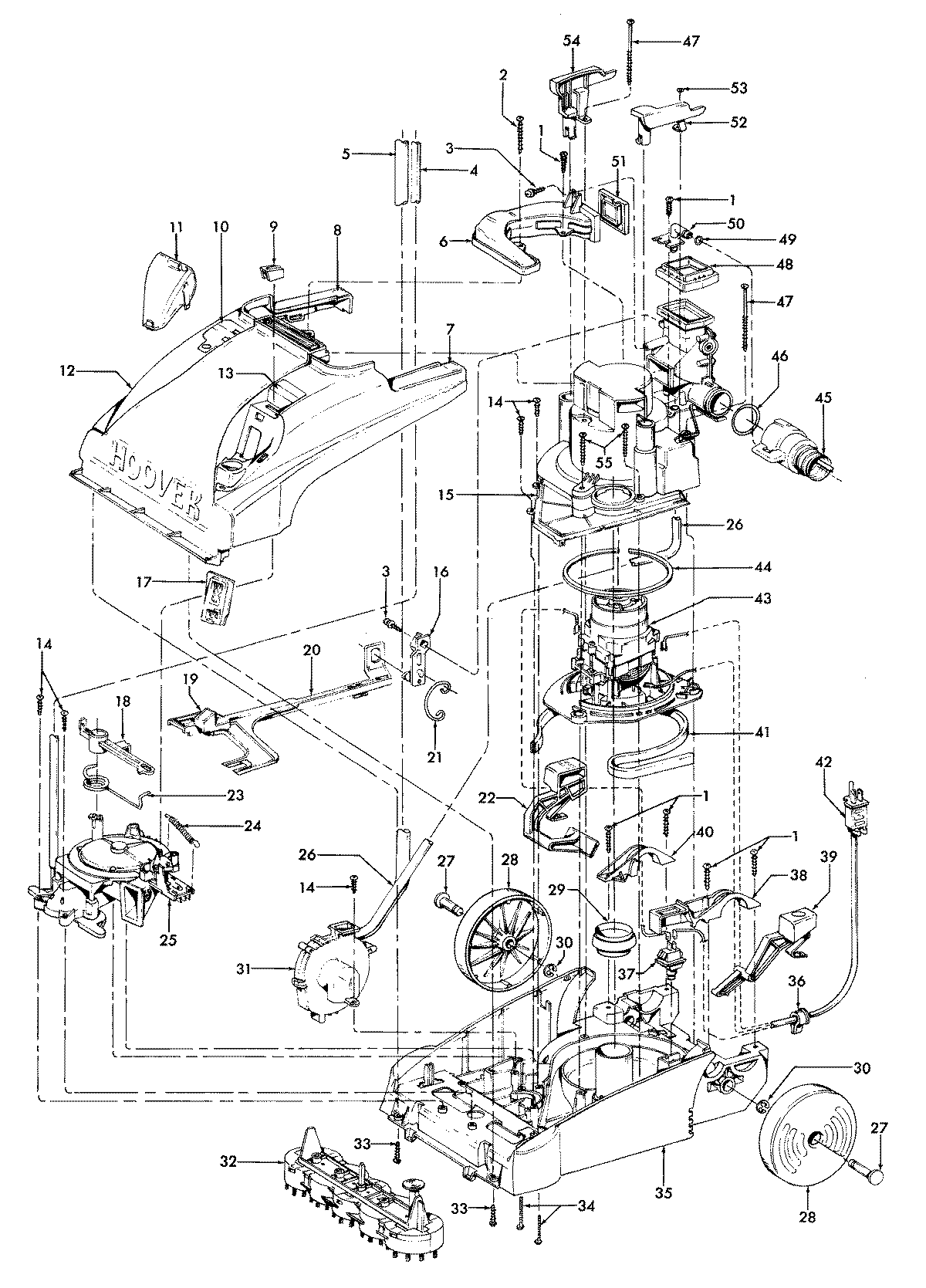
F5871950 02 – MOTOR ASSEMBLY, HOOD