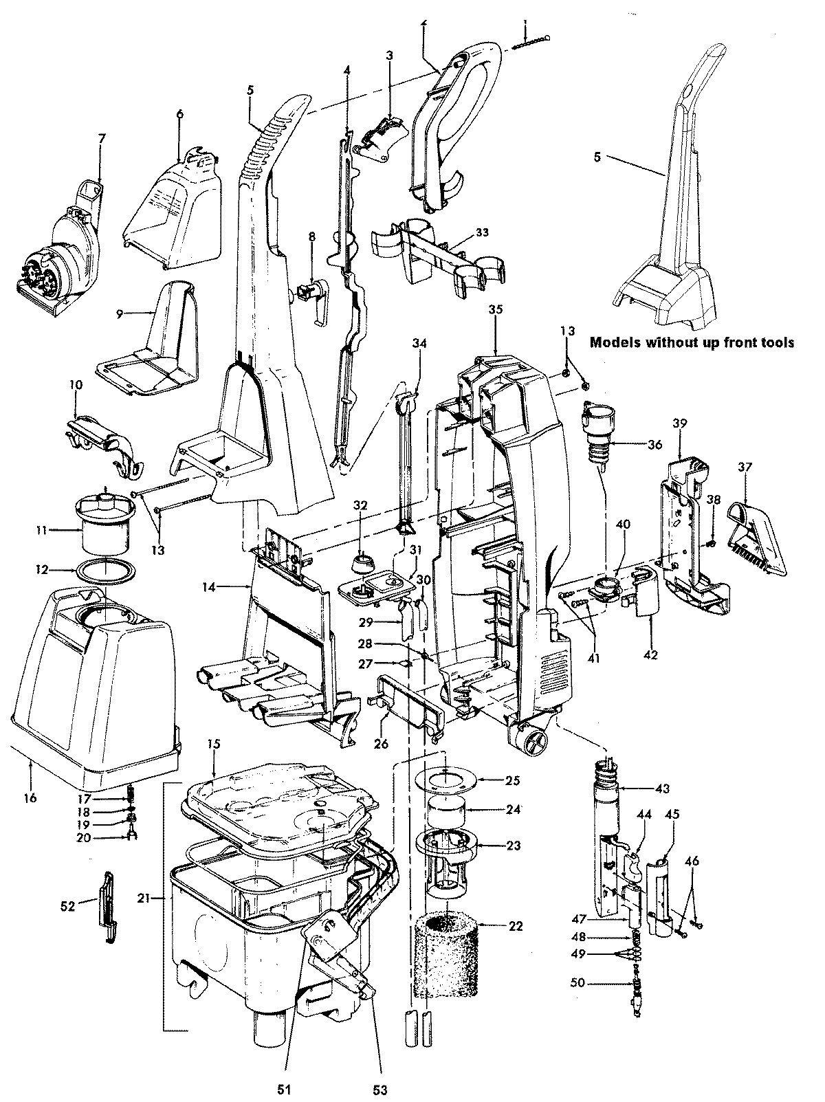
F5874900 01 – HOSE, CLEANINGTOOLS, HANDLE, TANKadmin2025-04-26T09:39:31+00:00F5874900 01 – HOSE, CLEANINGTOOLS, HANDLE, TANK ProductsPositionProduct1MAY 214472482MAY 394580063MAY 384340284MAY 384580375MAY 394660505MAY 394660496MAY 372760147MAY 484390028MAY 394420419MAY 3643312710MAY 3945701611MAY 4227200212MAY 3878406213MAY 4020115413MAY 4020117114MAY 3727600215MAY 4227212016MAY 4227213417MAY 3831201419MAY 3878406120MAY 3871700921MAY 3877706522MAY 4361104123MAY 3871902725MAY 3878407026MAY 3727601028MAY 2144724430MAY 4030900231MAY 4351600832MAY 3878406033MAY 3643312934MAY 3845803335MAY 3946603737MAY 3861304038MAY 2144704139MAY 3643313140MAY 3617103241MAY 2144722842MAY 3613109743MAY 4343601644MAY 3843307445MAY 3727600646MAY 2144723947MAY 4351301148MAY 3831201949NOT REQUIRED PART OR SEE NOTE FUSE (NOT REQUIRED)50MAY 4341200751MAY 3945701752MAY 3615305953MAY 3615306055MAY 4341200355MAY 3951400155MAY 4030303255MAY 4841700355MAY 5733301655MAY 40302016900MAY 42272123900MAY 56518139900MAY 57362001900MAY 40305032900MAY 40301064900MAY 38617028900MAY 43538001900MAY 48437028900MAY 39719043900MAY 43412009900MAY 38777070900MAY 48439003996MAY 56518098996MAY 56518131996MAY 56518121