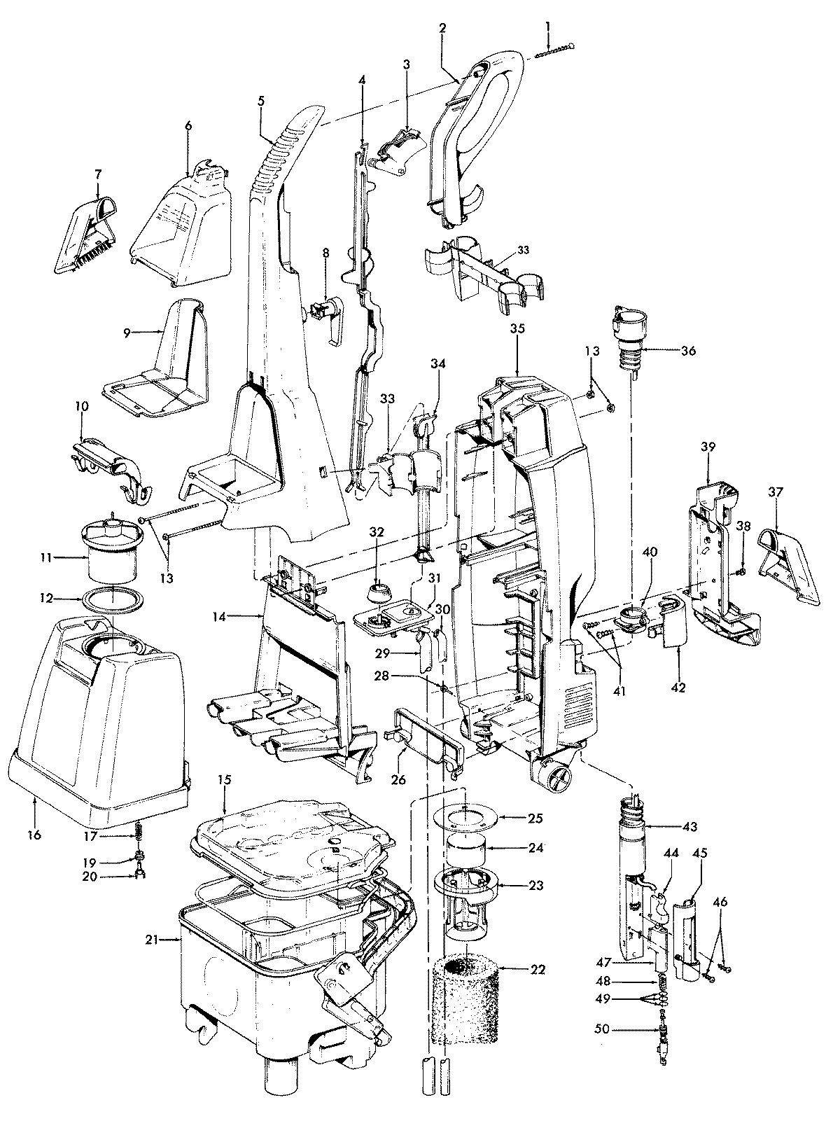
F5875900 01 – CLEANINGTOOLS, HANDLE, TANKadmin2025-04-26T09:39:47+00:00F5875900 01 – CLEANINGTOOLS, HANDLE, TANK ProductsPositionProduct1MAY 214472482MAY 394580063MAY 384340284MAY 384580375MAY 403090385MAY 394660496MAY 372760117MAY 386130408MAY 394420419MAY 3643312710MAY 3945701611MAY 4227200212MAY 3878406213MAY 4020115413MAY 4020117114MAY 3727600215MAY 4227212016MAY 4227213417MAY 3831201419MAY 3878406120MAY 3871700921MAY 3877706521MAY 3877707022MAY 4361104123MAY 3871902724MAY 4353800125MAY 3878407026MAY 3727601028MAY 2144724430MAY 4030900231MAY 4351600832MAY 3878406033MAY 3617200533MAY 3643312934MAY 3845803335MAY 3946603737MAY 3861302838MAY 2144704139MAY 3643313140MAY 3617103241MAY 2144722842MAY 3613109743MAY 4343601143MAY 4343601644MAY 3843307445MAY 3727600646MAY 2144723947MAY 4351301148MAY 3831201949NOT REQUIRED PART OR SEE NOTE FUSE (NOT REQUIRED)50MAY 4341200790MAY 4341200390MAY 4843900290MAY 5733301690MAY 4030303290MAY 3951400190MAY 4030201690MAY 48417003996MAY 56518110