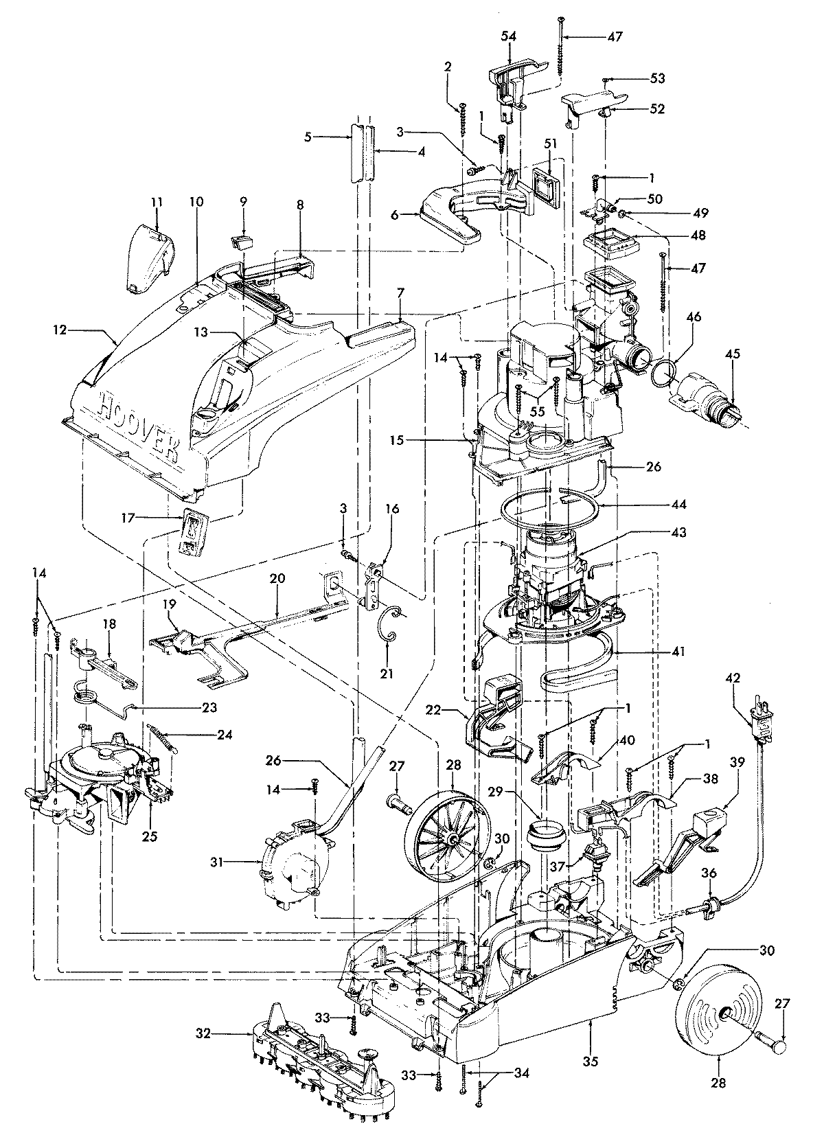
F5875900 02 – MOTOR ASSEMBLY, HOOD, SWITCH