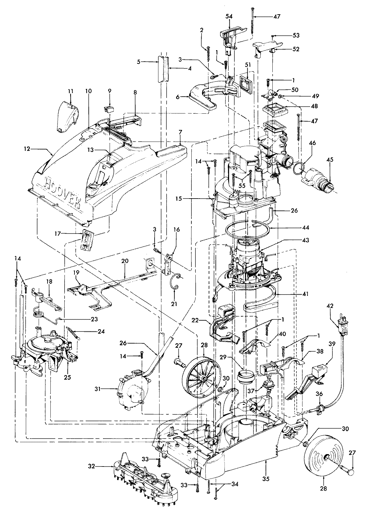
F5887910 02 – MOTOR ASSEMBLY, PUMP, HOOD, SWITCHadmin2025-04-26T09:38:52+00:00F5887910 02 – MOTOR ASSEMBLY, PUMP, HOOD, SWITCH ProductsPositionProduct1MAY 422721231MAY 214470032MAY 214472473MAY 231490026MAY 434660717MAY 518650248MAY 516380559MAY 3842109310MAY 5143800611MAY 3938310612MAY 3727107912MAY 3727107812MAY 3727107313MAY 5163919214MAY 2144721715MAY 4219100716MAY 3643900117MAY 4361300920MAY 3845802421MAY 3613200322MAY 3845804223MAY 3835601324MAY 3833300925MAY 4319100326MAY 4030900227MAY 3243400728MAY 3852207629MAY 3878406330MAY 160017--31MAY 4358200532MAY 4843702233MAY 2144707234MAY 2147943835MAY 4227400636MAY 3617201637MAY 2821804838MAY 3613108639MAY 3843402540MAY 3613108541MAY 3878104842MAY 4658305643MAY 2721205144MAY 3411300445MAY 4343601646MAY 2515651847MAY 2144724648MAY 3878302349MAY 2515651750MAY 3871903951MAY 3878302452MAY 3615102153NOT REQUIRED PART OR SEE NOTE FUSE (NOT REQUIRED)54MAY 3615102055MAY 4981108155MAY 4981107955MAY 2144723255MAY 49811080900MAY 37271077900MAY 46583044900MAY 43576197