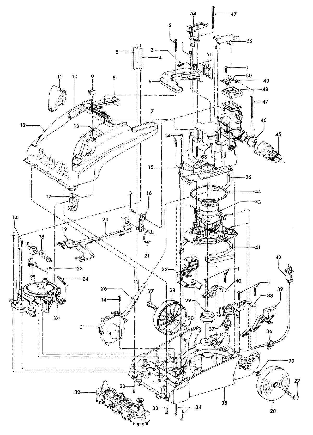
F5894900 02 – MOTOR ASSEMBLY, HOOD, SWITCHadmin2025-04-26T09:40:21+00:00F5894900 02 – MOTOR ASSEMBLY, HOOD, SWITCH ProductsPositionProduct1MAY 214470032MAY 214472473MAY 231490026MAY 434660717MAY 518650248MAY 516380559MAY 3842109310MAY 5143800611MAY 3938310612MAY 3727108312MAY 3727105913MAY 5163919214MAY 2144721715MAY 4219100716MAY 3643900117MAY 4361300918NOT REQUIRED PART OR SEE NOTE FUSE (NOT REQUIRED)19MAY 5161100820MAY 3845802421MAY 3613200322MAY 3845804223MAY 3835601324MAY 3833300925MAY 4319100326MAY 4030900227MAY 3243400728MAY 3852207629MAY 3878406330MAY 160017--31MAY 4358200532MAY 4843702233MAY 2144707234MAY 2147943835MAY 4227400536MAY 3617201637MAY 2821804838MAY 3613108639MAY 3843402540MAY 3613108541MAY 3878104842MAY 4658304443MAY 4131101643MAY 4357620244MAY 3411300445MAY 4343601146MAY 2515651847MAY 2144724648MAY 3878302349MAY 2515651750MAY 3871903951MAY 3878302452MAY 3615102153MAY 2144723254MAY 36151020900MAY 37271080903MAY 38769028996MAY 43436016996MAY 37271079996MAY 43576197996MAY 49811081996MAY 37271048996MAY 49811079996MAY 46583056996MAY 42274006996MAY 49811087