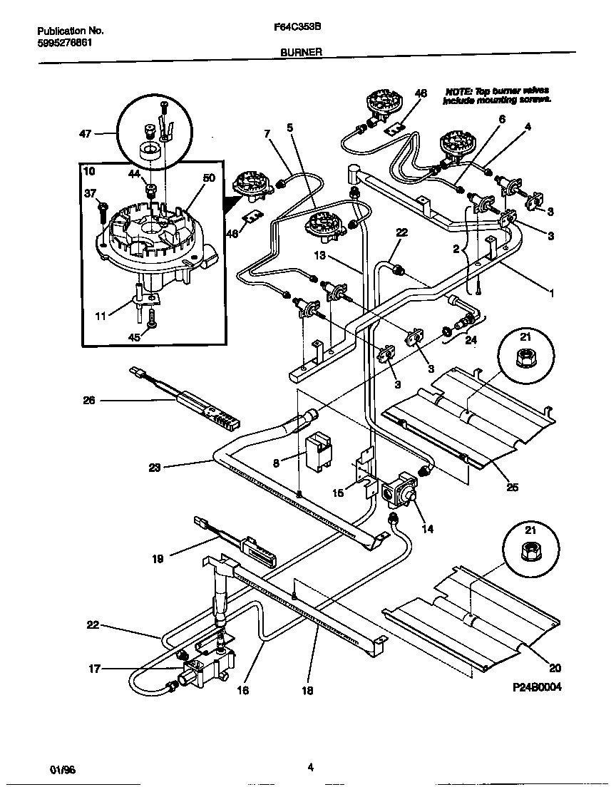
F64C353BSB 03 – BURNER