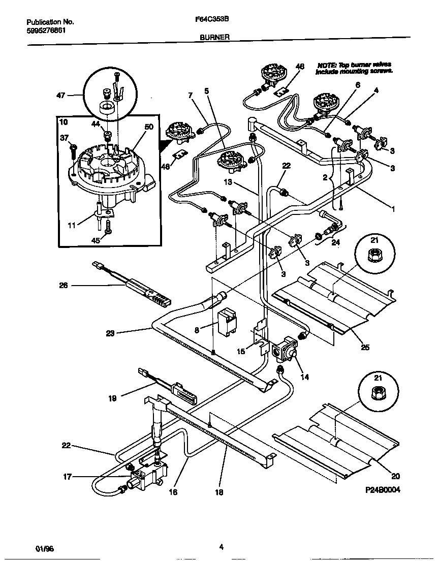
F64C353BTB 03 – BURNER