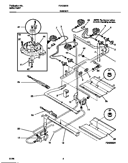
F64S352BDB 03 – BURNER