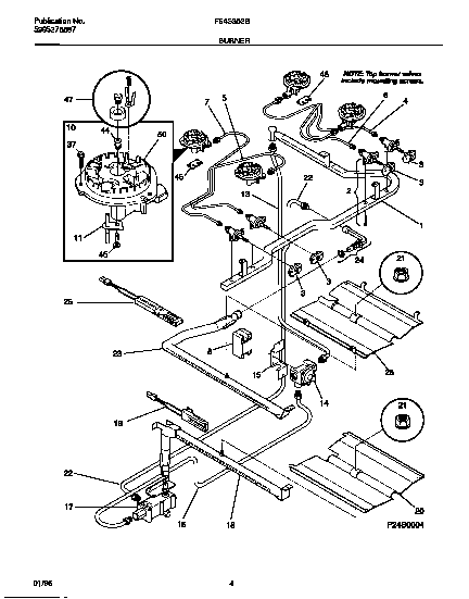
F64S352BWB 03 – BURNER