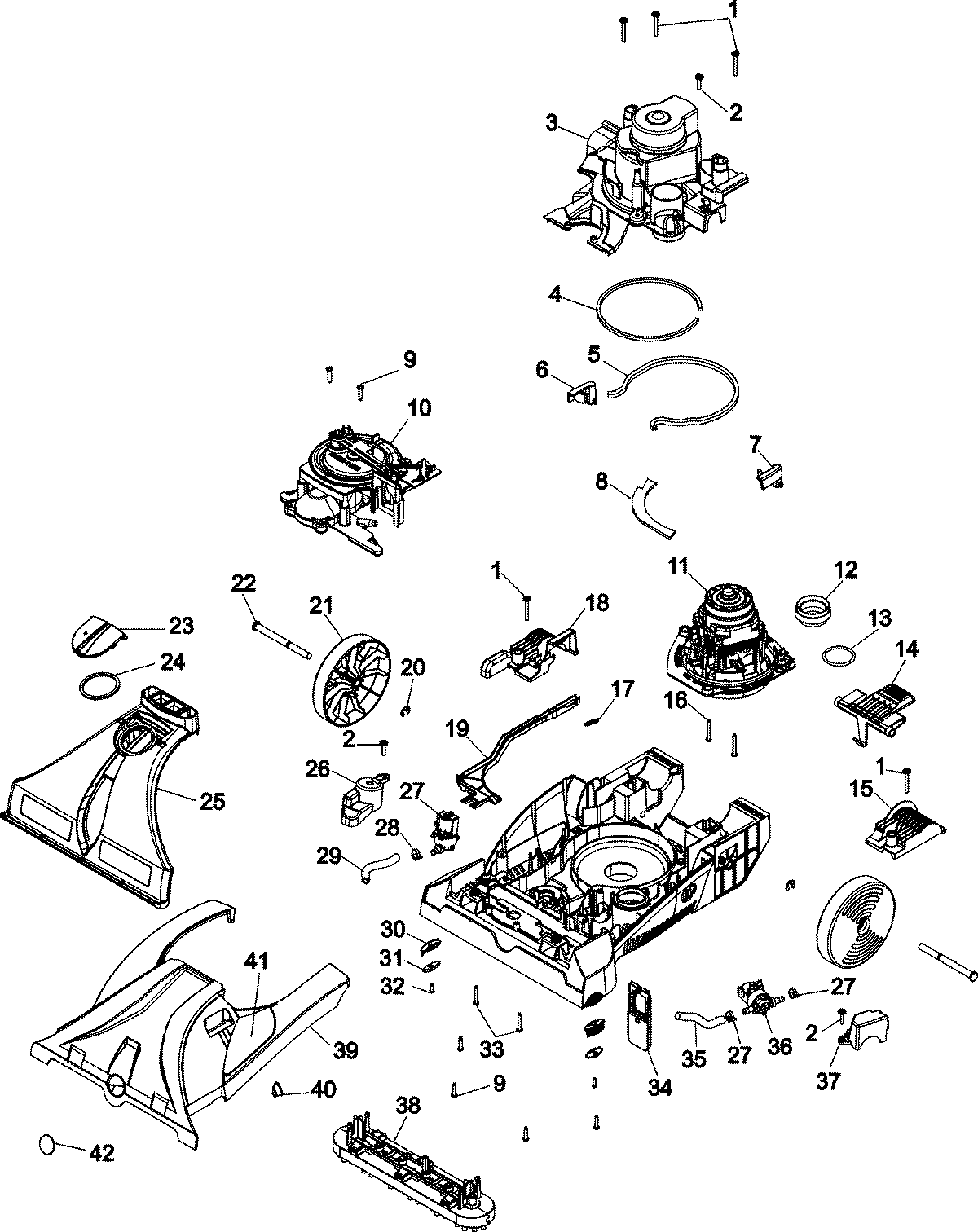
F7424900 01 – FOOTadmin2025-04-26T09:30:36+00:00F7424900 01 – FOOT ProductsPositionProduct1MAY 231490042MAY 231490023MAY 371961674MAY 341130045MAY 387810676MAY 361530817MAY 361530808MAY 3878107410MAY 9100109710MAY 9100101911MAY 9000116712MAY 3878406313MAY 2515652114MAY 3843403515MAY 9100108416MAY 2147943817MAY 3833100618MAY 9100108019MAY 3845806620MAY 160017--21MAY 3852208322MAY 9000121123MAY 9200132524MAY 3878409125MAY 9100109626MAY 9100109227MAY 2568605728MAY 2541101530MAY 9200126631MAY 9200126733MAY 2144721734MAY 4361301835MAY 6617301136MAY 2568605637MAY 9100109338MAY 4843703039MAY 9100108639MAY 3727109940MAY 3842110541MAY 9200126842MAY 51661020