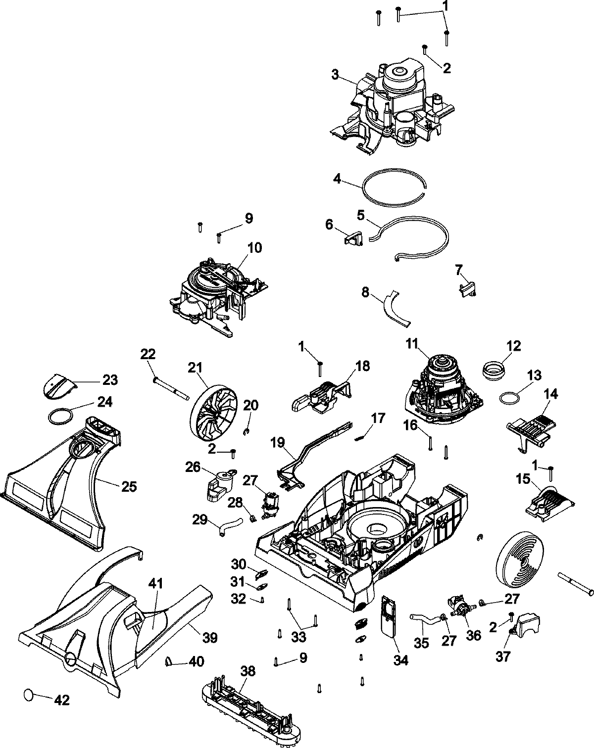
F7458950 01 – FOOTadmin2025-04-26T09:31:17+00:00F7458950 01 – FOOT ProductsPositionProduct1MAY 231490042MAY 231490023MAY 920013184MAY 341130045MAY 387810676MAY 920013207MAY 920013198MAY 3878107410MAY 9100109711MAY 9000116712MAY 3878406313MAY 2515652114MAY 9200132115MAY 9200132216MAY 2147943817MAY 3833100618MAY 9200132319MAY 3845806620MAY 160017--21MAY 9200132422MAY 9000121123MAY 9200132524MAY 3878409125MAY 9100109625MAY 9200126226MAY 9200132627MAY 2568605728MAY 2541101530MAY 9200126631MAY 9200126732MAY 2144721733MAY 2144726834MAY 4361301835MAY 6617301136MAY 2568605637MAY 9200132738MAY 4843703038MAY 9200128539MAY 9200132939MAY 3727212340MAY 9000111641MAY 9000138842MAY 51661020