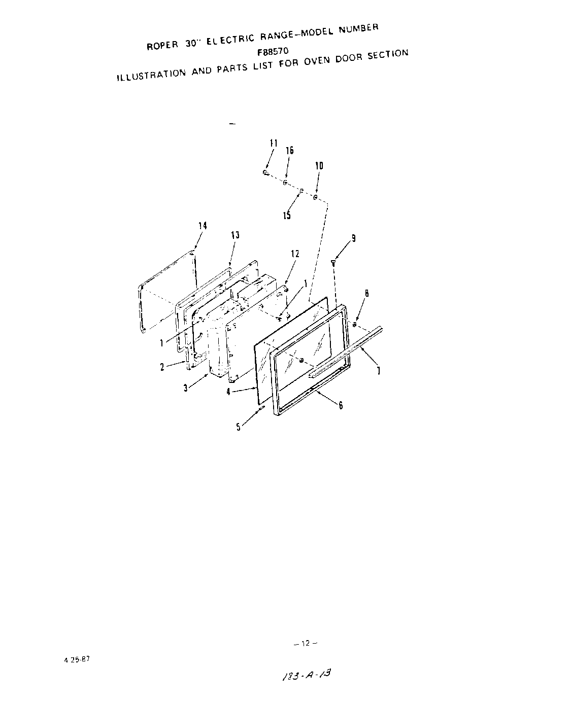
F8857W0 08 – OVEN DOOR